首先说明一下,以下全部为今年寒假,大年30之前搞的,今天终于有空整理了一下发出来,这个笔记本电脑电池原装为三洋电池,10年产的,用到16年几乎不顶用了。经常100%电插电使用。现象为只能顶20分钟左右,内阻大,充电发热非常严重(烫手,可能有40-50℃),充电不均衡,有一组低于另外两组电压。充电过程电压始终上不去,只能充到4v左右,高于4v再怎么充电,能量全部用于发热了,这就是为什么充电时候电芯严重发热!!!
此电池为老电脑compaq 510用的电池,生产日期2010年,方案为bq2084+29312,用到现在也没被锁住
按照数码之家拆机乐园的国际惯例,先拆解


标签



开盖

外皮印着三洋的标

主控bq2084

电池检测29312

两个充放电mos管

最后的防线=保险丝

反面

温度热敏电阻

标号:UR18650A R11

插头

咦嘿嘿,看到这里的JPG了么,就是这个跳线,焊开,防止换电池时候锁掉烧保险~~

焊开这个“图片”“JPG”焊点

焊开了,已经可以防止烧保险了~~

电池来自---->http://bbs.mydigit.cn/read.php?tid=1937610
这个电池也是去年拆的了,吃灰了这么长时间。
看电池生产日期也是10年的电池了,但是这个电池充电不发热,为了看看这个电池还可以用否,然后验证所谓的不能断电换电池,下面就试试断电换电池
可以看到这个电池和上面的电池焊接方式不一样,需要去掉电池之间的塑料片,要不空间不够,无法安装。另外电池需要改焊接方式


拆开开一组电池


斜口钳剪断

就是这个破钳子

这里发生了一点意外,短路了短路了短路了!当时吓得这咋办,万一着火了爆炸了的~~,都想到赶紧开开窗户扔外面~~




幸亏时间短没发生事故

整理形状

胶带粘住

将两个镍带焊接到一起


下面拆原装电池,一定要从正极开始拆,然后一级一级断电。一定不能从中间某处先开始断电(一会说原因)

拆完了~~

焊接时候从负极开始焊接,一级一级上电。焊接时候必须焊接好这一根线后才能接下一根线(一会说原因)

最后焊接这一根

焊接好

欧了~~

赶紧测测到底锁了没有,妈蛋,没有电压,咋办

别急,还得充充电才能激活电池

调节个12v怼上去

欧了,有电了


原理
哈哈没锁,换好完成了~~


首先说说为什么掉换电池没锁
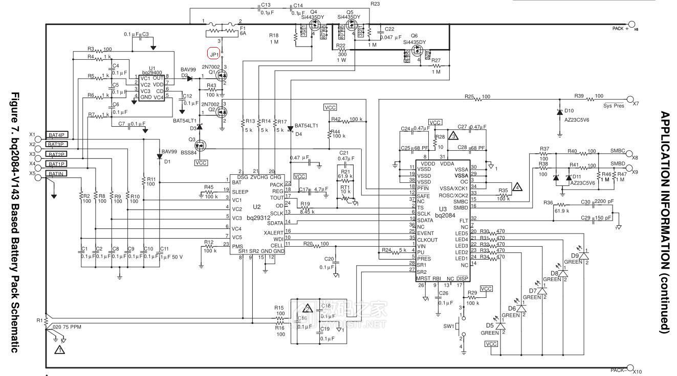
先看看保险原理图

图中4号端口写着Heater是加热丝,受到主控的控制当电池出问题时候它可以烧断右边的Fuse,也就是电池最后的保险
锁定可以是两种,一种是主控控制mos管断开,防止过充电或过放电,这个锁是可以可以恢复的。等系统监测到电池电压过高,或者有一节或者几节电池电压异常时就会烧断保险锁定
看看datasheet里面的电路图

可以看到29400芯片实时监测各个电池电压
锂电池过压保护芯片29400

原理图

功能简介

意思是如果某一个电池达到过压条件就保护active了。烧断保险然后保护
这里有一段关于防止不正确连接电池导致保护动作的说明

由此可以看出连接电池时候必须从电池的高电压端或者低电压端开始连接,依次连接剩下的电芯,否则会保护烧断保险丝。当然焊接好全部电池也就不可以再断开除最高、低电压外的任意一个电池电压的监测端。
另一个是bq29312

这个ic可以监测电池过充、过载、短路、过压、欠压。这个ic直接控制输入输出mos,异常情况(过载、短路)可以直接自动断开mos保护电池。通过iic接口给2084主控通信控制保护电池。
主控bq2084

支持Smart Battery Specification V1.1协议
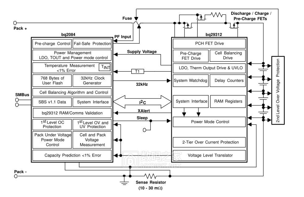
整体原理框图如下

从第一张原理图可以看到,烧保险的可以为29400和2084主控。29400是独立的,不和主控通信,只要拆电池、安装电池时候按照顺序就不会锁定。29312直接控制的是充放电mos管,它的datasheet中介绍了9个寄存器的功能

只有过载短路等参数供给主控读取,没有关于锁定保护的内容
那么现在就可以安全滴拆电池了,反正刚才那个“JPG”已经断开,保护了也不怕~~~~~
解锁方法+校正参数=教程
首先看看14年7月14日的截图,现在剩余60%呢,当时电池可以用1个半小时

越来越差,剩余54%

越来越差,剩余36%

容量剩余30%

这时候电池完全不能用了,拔掉电源估计几分钟就要待机了,忍无可忍,想到以前拆过一个dell电池,移花接木呗,遂有了换芯的念头

要读取电池信息需要用到SMBus接口,网上有并口适配器,老电路了,其实就是一个并口-iic接口。解锁一个破电池没必要再设计个usb+单片机 转->SMBus接口的装置,或者买TI生产的专用读写器

焊接好找个老电脑主板带并口的,连接好电池就可以运行SBW、ACCPLUS等软件读取电池信息(呵呵,并没有在网上找到破解版本的sbw,有的资源已经失效(sbw官网早挂了),数码之家以前有个老外发过破解版的,但实验了不能用)
连接示意图

首先用sbw读取电池数据

有个剩余容量警告

木有办法,用的是demo版本,只能看,不能操作,后来找了个acc+软件可以对电池发送命令
用ACC+软件读取一下

网上有人说battery statues 第一位数字是0就是没被锁
remaining capacity剩余容量为65509
full charge capacity充满容量65510
relative state of charge相对充电态势为100%(满电)
absolute state of charge绝对充电态势为209%(过充了?)
~~~



这是过充了吧,反正充进去的电全部用来发热了,电压上不去
详细信息如下

点击direct进入命令方式,给电池发送命令修改内部数据
查看datasheet的寄存器描述

发现电池包态势寄存器(只读寄存器)Pack Status and Pack Configuration (0x2f)中的bit5为ss,为1为锁定态势,0为解锁态势。

读写方法:
读写某寄存器时cmnd填写操作地址。
value值读取时候全部填写0000,写入时候填写所需的数值即可。
r2:read读,w2:write写
下面选择芯片型号BQ2083,在第一行输入cmnd命令为“2f”,value值为“0000”,type类型为“r2” 读出来电池态势为06A0 为seal模式

执行后读出来A6A0

A6A0 10100110 10100000 sealed 锁定模式
A680 10100110 10000000 unsealed 解锁模式
要修改数据需要发送密码来解锁(bq2084默认密码为2084 7A43)

发送密码,地址为00,Manufacturer Access(制造商访问)
00 2084 W2
00 7A43 W2 执行解锁
执行成功

再次读取2f返回结果为a680=unsealed,表示已经解锁

由于我的电池永久失效标志没有置位,所以不用清除Permanent Failure,只要保险烧断就可能需要清除此失效标志
PFclear清除命令为
00 2673 w2
00 1712 w2
这就是解锁命令,发送之后电池就能用了,当然保险得换好。
然后向00地址发送超级命令0635,下面就可以修改电池数据了
要修改的数据为这几个

给0f写入1130,次时修改剩余容量为4400mah

现在用sbworkshop读取测试一下效果

可以看到起作用了
接着把循环设置1次、充满容量设置为4400mah,然后就ok了

想要修改什么修改完成之后,可以发送锁定命令seal,也可以不锁定它
最后用SBW读取一下电池信息

完毕
换好后开机试试

容量很大
由于用的旧电池,经过几次使用后参数再降低


最终使用一段时间差不多可以使用1小时,最后换芯成功~~
最后不是所有的电池都可以自己解锁,现在电脑生产商、芯片制造商们都不公开这些资料,即使找到datasheet也没有那些特殊命令来操作,那么只能上专用工具了。最后改动电池有风险,要稳~~
谢谢观看!
浏览更多精彩内容请登录数码之家网站
技术交流请联系原作者
作者:965039114
本文来源:数码之家