石材幕墙的干挂方式有很多,今天咱们主要讲的是背栓连接干挂石材幕墙。小编特意从各处收集详细的图示来帮助大家更清晰透彻的明了这方面的知识,希望大家能够仔细看完,然后再评论区给出你们的建议和意见,一定会有一些相对不够的地方,但希望大家多多包涵。现在我们就进入正题,先从该施工工法会用到的一些挂件及细节图示开始。
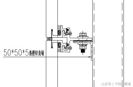
不锈钢挂件

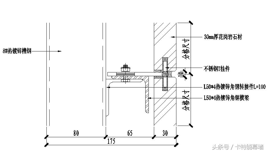
不锈钢挂架横剖


T型不锈钢挂件



铝合金挂件



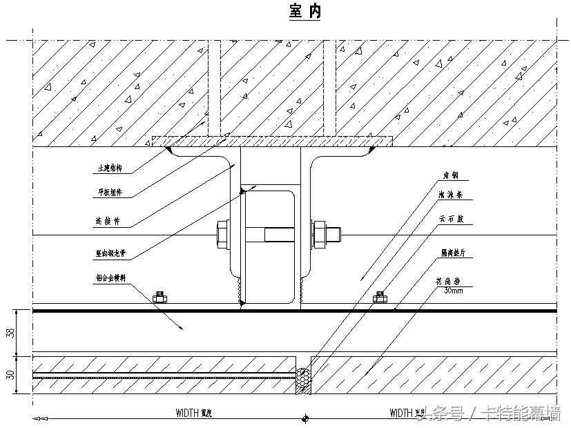
通槽


背栓连接干挂石材幕墙施工工法
1 、特点
(1)板材之间独立受力,独立安装,独立更换,节点做法灵活。
(2)连接可靠,对石板的削弱较小,减少连接部位石材局部破坏使石材面板有较高的抗震能力。
(3)可准确控制石材与锥形孔底的间距,确保幕墙的表面平整度。
(4)工厂化施工程度高,板材上墙后调整工作量少。
2 、适用范围
适用于建筑高度不大于30m、非抗震设计或抗震设防烈度不大于7度的民用建筑石材幕墙工程施工。
3 、工艺原理
通过双切面专用磨头在石材背部距板边100~180mm处磨出倒锥孔,倒锥孔与后切式锚栓采用尼龙体柔性结合,并将板面荷载通过骨架传递到主体结构。
4、工艺流程

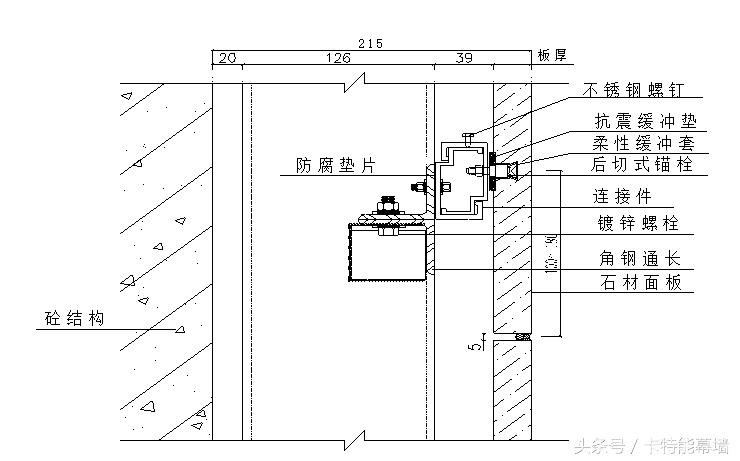
背栓干挂石材幕墙横剖节点图

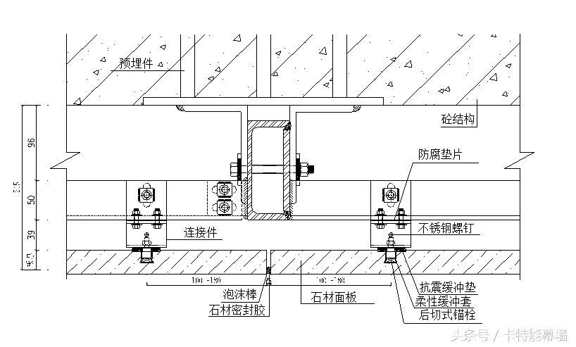
背栓干挂石材幕墙纵剖节点图

背栓干挂石材幕墙效果图

背栓干挂石材幕墙实际图

以上,大多是小编用一些节点图和实拍图来为大家展示背栓连接干挂石材幕墙,希望以这样的方式能让大家更容易消化。希望大家长期关注卡特能幕墙,小编会不时为大家奉上干货。当然最重要的是,如果大家有幕墙设计、施工等相应需求,欢迎联系卡特能幕墙。