电子元器件是构成电子电路的基本要素,要学好电子电路识图方法,就必须先熟悉各种电子元器件的图形符号和电路标识。
今天老夫就进一步分享,我们来逐一来认识一下电子电路图中常用电子元器件的图形符号和电路标识,并通过识读电子电路图中的这些符号标识,掌握电子电路识图的基础。
一、认识一下电阻器的图形符号和电路标识
电阻器是电子产品中最基本、最常用的电子元器件之一,它利用自身对电流的阻碍作用,可以通过限流电路为其他电子元器件提供所需的电流,通过分压电路为其他电子元器件提供所需的电压。
在实际电子产品或设备中,电阻器以其实际的外部形态安装在各种各样的电路板上,而在对应于该电子产品或设备的电子电路图中,电阻器则用专用的图形符号代替。电路板上的电阻器与电子电路图中的图形符号一一对应。

图示:电路板上的电阻器与电子电路图中的图形符号一一对应
1、识别电阻器的图形符号

图示为普通电阻器在电子电路图中的图形符号,也称为电路符号。可以看到,它主要由一个矩形框和两端的引线构成,矩形框就是电阻器的图形符号,两端引线相当于电阻器的两个引线脚,由图形符号两端伸出,与电子电路图中的电路线连通,构成电子线路。
2、认识不同类型电阻器的图形符号
在实际应用中,电阻器的类型多种多样,相对应的图形符号也有所区别。
常见电阻器的图形符号、外形及功能如下表









-
电阻器在电子电路中有特殊的标识,电阻器种类不同,电路标识也有所区别,我们在对电子电路识读时,通常会先从电路标识入手,了解电阻器的种类和功能特点。
-
识别电阻器的电路标识
电阻器在电子电路中的标识通常分为两部分,一部分是图形符号,标识电阻器的类型;另一部分是字母垣数字,标识该电阻器在电路中的名称、序号及主要参数。

图形符号(电路符号)可以体现出电阻器的基本类型;文字标识则通常提供了电阻器的名称、序号以及电阻值等参数信息。
2.识读电阻器的标识信息
在电子电路图中,电阻器的标识主要有“电阻器名称”“ 材料”“ 类型”“ 序号”“ 电阻值”“允许偏差”等相关信息。识读电阻器的标识信息,对我们分析、检修电子电路十分重要。
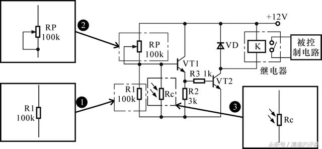
(1)识读典型继电器控制电路中电阻器的电路标识
某典型继电器控制电路中电阻器的电路标识如下图所示


在电路中表示普通电阻器, “ R1” 为该普通电阻器在电路中的名称和序号,“100k”表示该普通电阻器的电阻值为员园园噪Ω。

在电路中表示可调电阻器(可变电阻器),“ RP”(可加数字区分) 在电路中为该可调电阻器的名称标识。

在电路中表示光敏电阻器,Rc在电路中为该光敏电阻器的名称标识。“ MG” 为光敏电阻器在电路中规范的文字标识。
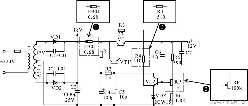
(2)识读12V电源电路中电阻器的电路标识
12V电源电路中电阻器的电路标识如下图


在电路中表示熔断电阻器,“ FB01” 为该熔断电阻器在电路中的名称和序号,“0.68”表示该熔断电阻器的电阻值为0.68Ω。

在电路中表示可调电阻器(可变电阻器),“ RP” 为该可调电阻器在电路中的名称标识,“100k”表示该可调电阻器的电阻值调整范围为0-100kΩ”

在电路中表示普通电阻器, “ R4” 为该普通电阻器在电路中的名称和序号,“510”表示该普通电阻器的电阻值为510Ω。
好了,今天信息量有点大,老夫就分享到此,希望条友们好好学习,为祖国的电子信息产业做点贡献吧。
下期内容:
轻松学会电子电路中的符号标识之:电容