
今天为大家带来的是化工装置流程图,喜欢我们的朋友请点击右上角关注我们哦,天天都有新知识点。

小七导读:
上期小七为大家介绍了一部分化工装置流程图,大家都表示解决了不少的疑问!小七也非常高兴能帮助大家学习更多的知识,今天为大家介绍后半部分的流程图。其实化工装置流程图有很多,这次大部分为炼化厂常见装置,如果七友还想了解更多,请后台留言哟!
◆ ◆ ◆
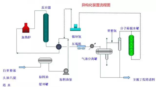
异构化装置流程图

异构化装置类似普通的加氢精制装置。
以丁烷异构化为例(见图),丁烷进料经脱异丁烷塔分离出异丁烷,塔底主要是正丁烷,与氢混合后经加热进入反应器。反应压力约2.1~2.8MPa,温度 145~205℃,氢、烃摩尔比为0.1~0.5,空速3~5h-1。

反应产物经分离器分出氢(循环使用),再经稳定塔分出少量裂解气(用作燃料气)后去脱异丁烷塔。塔底正丁烷循环进行反应,异丁烷产率可达90%以上。
异丁烷作为烷基化补充进料时,该装置可与烷基化装置合并为一套装置,这样可节省设备和投资。
+
◆ ◆ ◆
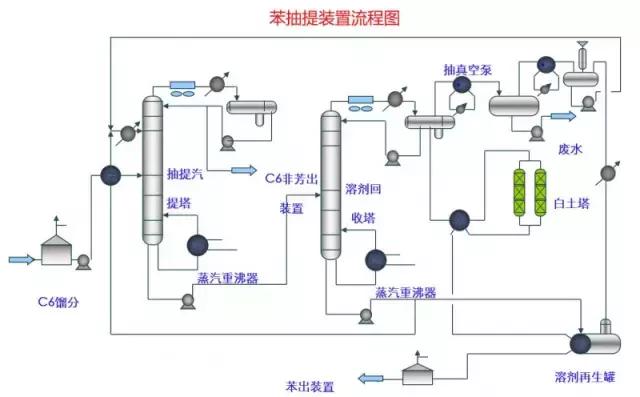
苯抽提装置流程图

苯抽提装置作为对重整汽油中含有的苯进行抽提的装置,主要包括下列几部分:预分馏,抽提蒸馏、溶剂回收与再生、苯精制和C6非芳烃加氢反应、分馏。
+
◆ ◆ ◆
柴油加氢反应部分流程图

自罐区来的原料油在原料油缓冲罐的液面和流量控制下,通过原料油过滤器除去原料中大于25微米的颗粒后,进入原料油缓冲罐,原料油缓冲罐用燃料气气封。
自原料油缓冲罐来的原料油经加氢进料泵增压后,在流量控制下,经反应流出物/原料油换热器换热后,与混合氢混合进入反应流出物/反应进料换热器,然后经反应进料加热炉加热至反应所需温度,进入加氢精制反应器。该反应器设置两个催化剂床层,床层间设有注急冷氢设施。
自加氢精制反应器出来的反应流出物经反应流出物/反应进料换热器、反应流出物/低分油换热器、反应流出物/原料油换热器依次与反应进料、低分油、原料油换热,然后经反应流出物空冷器及水冷器冷却至45℃,进入高压分离器。为了防止反应流出物中的铵盐在低温部位析出,通过注水泵将脱氧水注到反应流出物空冷器上游侧的管道中。
冷却后的反应流出物在高压分离器中进行油、气、水三相分离。高分气(循环氢)经循环氢压缩机入口分液罐分液后,进入循环氢压缩机升压,然后分两路:一路作为急冷氢进反应器;一路与来自新氢压缩机的新氢混合,混合氢与原料油混合作为反应进料。含硫、含氨污水自高压分离器底部排出至酸性水汽提装置处理。高分油相在液位控制下经减压调节阀进入低压分离器,其闪蒸气体排至工厂燃料气管网。
低分油经精制柴油/低分油换热器和反应流出物/低分油换热器分别与精制柴油、反应流出物换热后进入柴油汽提塔。入塔温度用反应流出物/低分油换热器旁路调节控制。新氢经新氢压缩机入口分液罐经分液后进入新氢压缩机,经两级升压后与循环氢混合。
+
◆ ◆ ◆
柴油加氢分馏部分流程图

从反应部分来的低分油经精制柴油/低分油换热器、反应流出物/低分油换热器换热至275℃左右进入柴油汽提塔。
塔底用1.0MPa过热蒸汽汽提,塔顶油气经汽提塔顶空冷器和汽提塔顶后冷器冷凝冷却至40℃,进入汽提塔顶回流罐进行气、油、水三相分离。闪蒸出的气体排至催化装置。油相经汽提塔顶回流泵升压后一部分作为塔顶回流,一部分作为粗汽油去催化装置。含硫含氨污水与高分污水一起送出装置。
为了抑制硫化氢对塔顶管道和冷换设备的腐蚀,在塔顶管道采用注入缓蚀剂措施。缓蚀剂自缓蚀剂罐经缓蚀剂泵注入塔顶管道。
塔底精制柴油经柴油泵增压后与低分油换热至80℃左右,然后进入柴油空冷器冷却至50℃后出装置。
+
◆ ◆ ◆
航煤加氢反应部分流程图

+
◆ ◆ ◆
航煤加氢分馏部分流程图

+
◆ ◆ ◆
制氢装置流程图

+
◆ ◆ ◆
制氢造汽部分流程简图

+
◆ ◆ ◆
硫磺回收制硫部分流程图

+
◆ ◆ ◆
硫磺回收尾气部分流程图

+
◆ ◆ ◆
溶剂再生装置流程图

+
◆ ◆ ◆
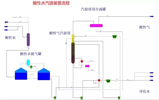
酸性水汽提装置流程


+
◆ ◆ ◆
PP装置反应部分流程图

PP装置在石油化工行业,是指聚丙烯生产装置,主要用于将丙烯聚合生产聚丙烯的装置。
反应部分包括第一聚合反应单元及第二聚合反应单元。
第一聚合反应单元是指卧式搅拌床反应器在一定的温度和压力下,以丙烯为主要原料,以氢气为相对分子质量调节剂,在催化剂体系的作用下,经气相反应聚合生成聚丙烯粉料。
第二聚合反应单元设置及控制方法基本与第一聚合反应单元相同,目的是提高催化剂的利用效率,同时利用第二聚合反应单元与第一聚合反应单元的串联特点,加入乙烯,生产抗冲共聚物。
+
◆ ◆ ◆
PP装置闪蒸、汽蒸部分流程图

+
◆ ◆ ◆
PP装置造粒部分流程图

聚丙烯树脂与不同类型添加剂混合,经过高温(200—300℃)加热,达到熔融态势,在双螺杆挤压机和熔融齿轮泵的作用下,通过模板进行水下造粒。
造粒的主要目的有:
-
加入各类添加剂,改进产品性能;
-
便于产品包装运输;
-
提高产品质量。
+
◆ ◆ ◆
储运系统装置、罐区油品系统管线冲洗原则流程图

+
◆ ◆ ◆
储运放空系统流程图

+
◆ ◆ ◆
空分系统流程图

空分装置就是用来把空气中的各组份气体分离,生产氧气、氮气的一套工业设备。
简单地说,一般而言,空分装置指的是化工厂中的各种空气成分的分离装置.具体从空气中分离出氮气,氧气,氩气等气体以及其他一些气体。
+
◆ ◆ ◆
化学水流程图

+
◆ ◆ ◆
循环水场流程图

循环水通过循环水泵加压后输出,大部分到用水车间进行热量交换,换热的回水通过凉水塔降温后进入水池,一部分经过无阀滤器过滤后,回到了水池。循环水指标接近高限时,开启排污泵进行置换,同时向循环水池补水。
+
◆ ◆ ◆
含盐污水处理流程图

+
◆ ◆ ◆
含油污水处理流程图

+