无论是购买商品房,还是要装修房子,我们都会看到开发商或装修公司提供的平面设计图。针对很多非专业人士来说,要看懂这个平面设计图,具有一定困难的。那么,本期来说下怎么看懂平面设计图。

▲彩色平面设计图
平面图的范畴比较广,牵涉到规划、建筑、装修、机械等方面。在这里,我们主要是讨论装修平面设计图。
平面设计图是属于二维空间,由X轴和Y轴所组成的。专业的解释是:一个房子在1.5米的高度水平方向剖切开,移开1.5米以上的部分,在剖切高度由上往下平视所得到的投影,称之为平面图。
平面设计图的内容一般有:指北针、轴线轴号、尺寸、文字说明、承重墙、砖墙、窗户、门、烟道井、排水管、家具、洁具、橱柜等等。

▲平面图中的指北针、轴号轴线、尺寸、文字说明
指北针
指北针的作用:能清楚地知道房子的东南西北朝向,其方位表示是:面对指北针正北方向,按照上北下南,左西右东的方法即可知道朝向。
轴线轴号
轴线轴号主要在建筑施工图里使用,一般平面设计图不会有,了解一下即可。
尺寸
尺寸是平面图最重要的数据,依靠尺寸才能知道房子的大小。平面图的尺寸以毫米为单位。
文字说明
文字说明是最直观知道各个空间的功能。例如:客厅、餐厅、卫生间等。

▲平面图中的承重墙、砖墙、窗户、门
承重墙
承重墙顾名思义是承载重量的墙,也可以叫承重柱。
在平面设计图中,承重墙是用填充黑色实心的图形表示。现在的商品房承重墙不像是传统的正方形或长方形,而是沿着墙体设置,所以很多商品房比较到有凸出一角的承重墙,就算有也不会很多。这样的设计更实用,空间效果更好。
砖墙
砖墙是用来分隔室内空间的墙体,不承载重量。
砖墙是用两根粗线组成的图形表示。砖墙分为外墙和内墙,外墙是指房子最外围的墙体,一般是24CM左右厚,而内墙是指外墙以外的墙体,其厚度一般是12CM和18CM。
窗户
在平面设计图中,窗户可分为落地窗、常规窗和飘窗。
落地窗和常规窗用平行的三条或四条直线表示;飘窗用平行的三条直线外加一条飘窗台边缘的直线。
门
在平面设计图中,根据门的开启方式一般可分为平开门和推拉门,不同的门表示的图例也不相同。
平开门也叫掩门,其图例用四分之一弧线加一个细长的长方形表示。
推拉门也叫趟门,根据门的数量两扇或四扇,相对应在平面图中会用两个或四个细长的长方形表示。

▲平面图中的烟道井、排水管
烟道井
烟道井在厨房里,是油烟机排烟的地方。其图例在长方形内里加折线来表示。
排水管
排水管在阳台、卫生间里,是雨水、污水和粪水排走的地方。其图例是圆形表示。
家具、洁具、橱柜
家具、洁具、橱柜涉及的内容相当多,下面在平面设计图中放大局部来讲解各个空间的图例,这样会更直观和更容易明白。
客厅
客厅的内容有沙发组合、电视柜、电视机、窗帘和餐厅的餐台椅、酒柜等等,图例如下:

▲平面图中客餐厅图例说明
厨房
厨房的内容有橱柜、冰箱、燃气灶、洗菜盆等等,图例如下:

▲平面图中厨房图例说明
卫生间
卫生间的内容有洗手台、马桶、沐浴玻璃门、花洒等等,图例如下:

▲平面图中卫生间图例说明
卧室
卧室的内容有床、床头柜、书台、衣柜等等,图例如下:

▲平面图中卧室图例说明
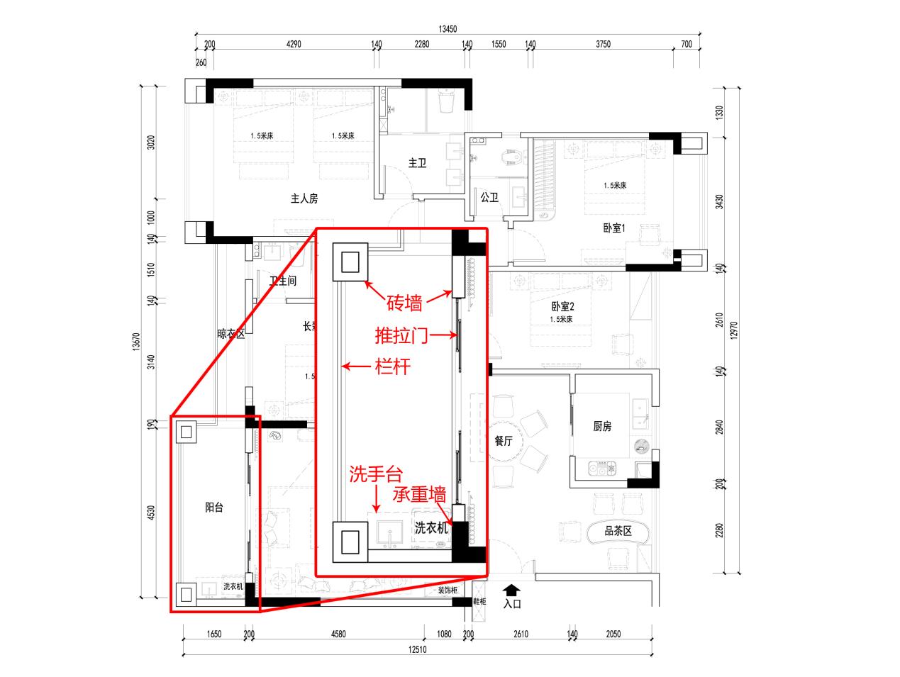
阳台
阳台的内容有洗衣机、洗手台、休闲椅等等。图例如下:

▲平面图中阳台图例说明
在平面图中的图例不一定是固定不变的,可能会有所不同,但相差不会很多。
最后,懂得了以上这些组成平面图的内容,那么你就能看懂平面设计图了。