标准螺钉规格是衡量螺钉是否是标准件的依据。在设计过程当中,生产制造当中,销售过程当中,服务客户过程当中能得到广泛的应用。
下面,先展示相应标准紧固件图,然后对其规格进行简要说明。

1. 内六角平端紧定螺钉 GB77-85(ISO4026-1977) 材料: 钢 机械性能:33H 45H ; 不锈钢 机械性能:A2-70


2. 内六角锥端紧定螺钉 GB78-85(ISO4027-1977) 材料:钢 机械性能:33H 45H ; 不锈钢 机械性能:A2-70


3.内六角圆柱端紧定螺钉 GB79-85(ISO4028-1977) 材料:钢 机械性能:33H 45H ;不锈钢 机械性能:A2-70

4.内六角凹端紧定螺钉 GB80-85(ISO4029-1977) 材料:钢 机械性能:33H 45H ;不锈钢 机械性能:A2-70

5.开槽圆柱头螺钉 GB65-85(ISO1207-1983) 材料:钢 机械性能:4.8 ;不锈钢 机械性能:A2-50

6.开槽盘头螺钉 GB67-85(ISO1580-1983) 材料:钢 机械性能:4.8 ;不锈钢 机械性能:A2-50

7.开槽沉头螺钉 GB68-85(ISO2009-1983) 材料:钢 机械性能:4.8 ;不锈钢 机械性能:A2-50

8.GB69-85(ISO2010-1983) 开槽半沉头螺钉 材料:钢 机械性能:4.8 不锈钢 机械性能:A2-50

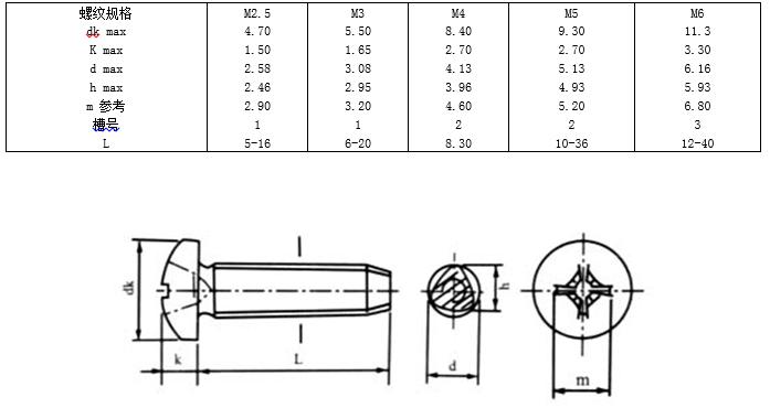
9.GB818-85(ISO7045-1983)十字槽盘头螺钉 材料:钢 机械性能:4.8 不锈钢 机械性能:A2-50

10.GB819-85(ISO7046-1983)十字槽沉头螺钉 材料:钢 机械性能:4.8 不锈钢 机械性能:A2-50

11.GB820-85(ISO7047-1983)十字槽半沉头螺钉 材料:钢 机械性能:4.8 不锈钢 机械性能:A2-50

12.DIN7991-86 内六角沉头螺钉 材料:钢 机械性能:8.8 10.9 不锈钢 机械性能:A2-70

13.公制螺纹镀锌瓦楞闩 材料:钢 机械性能:4.8

14.开槽圆头木螺钉 材料:钢 铜 L0=2/3L

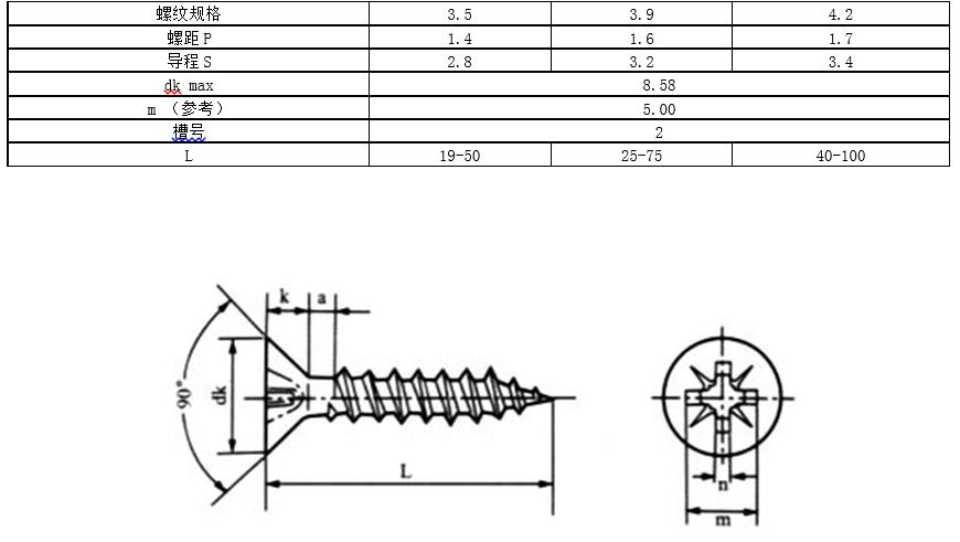
15.GB100-86 开槽沉头木螺钉 材料:钢 铜 L0=2/3L

16.GB101-86 开槽半沉头木螺钉 材料:钢 铜 L0=2/3L

17.GB950-86 十字槽圆头木螺钉 材料:钢 铜 L0=2/3L

18.GB951-86 十字槽沉头木螺钉 材料:钢 铜 L0=2/3L

19.GB952-86 十字槽半沉头木螺钉 材料:钢 铜 L0≈2/3L

20.GB102-86 六角头木螺钉 材料:钢 铜 L0≈2/3L

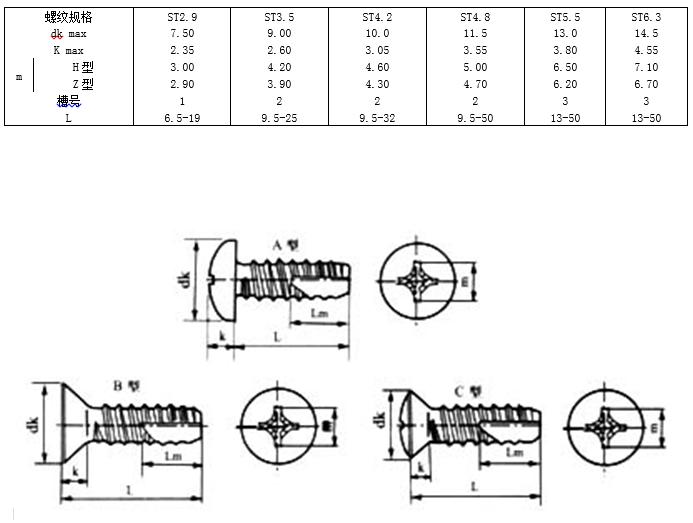
21.GB/T14210-93 墙板自攻螺钉 L≤50mm 全螺纹L1=6mm L>50mm b>45mm 材料:日本SWRCH18A 美国C1018

22.QB/SB1005-91米字槽沉头纤维板螺钉 材料:渗碳钢 L≤70mm 全螺纹L>70mm 螺纹长度按协议

23.GB845-85(ISO7049-1983) 十字槽盘头自攻螺钉 材料: 渗碳钢 不锈钢 L≤50mm 全螺纹 L>50mm 螺纹长度按协议

24.GB846-85(ISO7050-1983) 十字槽沉头自攻螺钉 材料:渗碳钢 不锈钢 L≤50mm 全螺纹 L>50mm 螺纹长度按协议

25.GB847-85(ISO7051-1983) 十字槽半沉头自攻螺钉 材料:渗碳钢 不锈钢 L≤50mm 全螺纹 L>50mm 螺纹长度按协议

26.GB5282-85(ISO1481-1983) 开槽盘头自攻螺钉 材料:渗碳钢 不锈钢 L≤50mm 全螺纹 L>50mm 螺纹长度按协议

27.GB5283-85(ISO1482-1983) 开槽沉头自攻螺钉 材料:渗碳钢 不锈钢L≤50mm 全螺纹 L>50mm 螺纹长度按协议

28.GB5284-85(ISO1483-1983) 开槽半沉头自攻螺钉 材料:渗碳钢 不锈钢L≤50mm 全螺纹 L>50mm 螺纹长度按协议

29.GB5285-85(ISO1479-1983) 六角头自攻螺钉 材料:渗碳钢 不锈钢

30.GB9456-85 十字槽凹穴六角自攻螺钉 材料:渗碳钢 不锈钢

31.DIN6928-90 六角头法兰面自攻螺钉 材料:渗碳钢 不锈钢

32.GB6561-86 十字槽沉头自攻锁紧螺钉 材料:20Mn 15MnB 机械性能:*级A**10 15 机械性能:B级

33.GB6560-86 十字槽盘头自攻锁紧螺钉 材料:20Mn 15MnB 机械性能:*级A** 10 15 机械性能:B级

34.GB6562-86 十字槽半沉头自攻锁紧螺钉 材料:20Mn 15MnB 机械性能:*级A** 10 15 机械性能:B级

35.DIN968-94十字槽扁圆头法兰面自攻螺钉 材料:渗碳钢 不锈钢

36.GB/T13806.2-92 精密机械用紧固件 十字槽 自攻螺钉---刮削端 材料:渗碳钢

37.DIN 6928-90 六角头法兰面自攻螺钉 材料:渗碳钢厂不锈钢

38.GB898-88 双头螺柱 bm=1.25d 材料:钢 机械性能:4.8 6.8 8.8 10.9 不锈钢 机械性能:A2-50

39.钢结构用扭剪型高强螺栓连接副 GB3632-83 材料:合金钢 机械性能:螺栓10.9S ; 钢 螺母10S 垫圈HRC35-45

40.钢结构用高强度大六角螺栓连接副 GB/T1228-91 GB/T1230-91 材料:合金钢 机械性能:螺栓10.9S ;钢 螺母10H 垫圈HRC35-45

41.半圆头方颈螺栓 GB12-88 材料:钢 机械性能:4.6 4.8 8.8

42.GB14-88 大半圆头方颈螺栓 材料;钢 机械性能:4.6 4.8 8.8

43.GB798-88 活节螺栓---C级 材料:钢 机械性能:4.6 5.6

44.GB825-88 吊环螺钉B型 材料:15# 20# 25#钢

45.GB70-76(老标准) 内六角圆柱螺钉 材料:钢 机械性能:8.8 10.9

46.GB70-85(ISO4762-1977) 内六角圆柱头螺钉 材料:钢 机械性能:8.8 10.9 12.9 不锈钢 机械性能:A2-50 A2-70

相关螺钉的标准:
开槽圆柱头螺钉 GB /T 65-2000 开槽盘头螺钉 GB /T 67-2000 开槽沉头螺钉 GB /T 68-2000 开槽半沉头螺钉 GB /T 69-2000 内六角圆柱头螺钉 GB /T 70.1-2000 内六角平圆头螺钉 GB /T 70.2-2000 内六角沉头螺钉 GB /T 70.3-2000 开槽锥端紧定螺钉 GB 71-85 开槽锥端定位螺钉 GB 72-88 开槽平端紧定螺钉 GB 73-85 开槽凹端紧定螺钉 GB 74-85 开槽长圆柱端紧定螺钉 GB 75-85 内六角平端紧定螺钉 GB /T 77-2000 内六角锥端紧定螺钉 GB /T 78-2000 内六角圆柱端紧定螺钉 GB /T 79-2000 内六角凹端紧定螺钉 GB /T 80-2000 方头长圆柱球面端紧定螺钉 GB 83-88 方头凹端紧定螺钉 GB 84-88 方头长圆柱端紧定螺钉 GB 85-88 方头短圆柱锥端紧定螺钉 GB 86-88 十字槽盘头螺钉 GB /T 818-2000 六角头不脱出螺钉 GB 838-88 滚花头不脱出螺钉 GB 839-88 塑料滚花头螺钉 GB 840-88 开槽球面圆柱头轴位螺钉 GB 946-88 开槽球面大圆柱头螺钉 GB 947-88 开槽沉头不脱出螺钉 GB 948-88 开槽半沉头不脱出螺钉 GB 949-88 内六角花形盘头螺钉 GB 2672-86 内六角花形沉头螺钉 GB 2673-86 内六角花形半沉头螺钉 GB 2674-86 内六角圆柱头轴肩螺钉 GB 5281-85 内六角花形圆柱头螺钉-4.8级 GB 6190-86 内六角花形圆柱头螺钉-8.8和10.9级 GB 6191-86 精密机械用紧固件十字槽螺钉 GB /T 13806.1-92 十字槽半沉头螺钉 GB /T 820-2000 方头平端紧定螺钉 GB 821-88 十字槽圆柱头螺钉 GB /T 822-2000 十字槽小盘头螺钉 GB 823-88 吊环螺钉 GB 825-88 开槽盘头定位螺钉 GB 828-88 开槽圆柱端定位螺钉 GB 829-88 开槽圆柱头轴位螺钉 GB 830-88 开槽无头轴位螺钉 GB 831-88 开槽带孔球面圆柱头螺钉 GB 832-88 开槽大圆柱头螺钉 GB 833-88 滚花高头螺钉 GB 834-88 滚花平头螺钉 GB 835-88 滚花小头螺钉 GB 836-88