
我们日常生活中电子产品的使用,大部分通过220V交流电利用开关电源或者其它一些整流电路将交流电转换成直流使用,而所谓的逆变,就是将直流电转换为交流电的过程,它是一个整流转换的逆向过程,所以叫做逆变器。逆变器为我们生活带来了很多便利,比如户外烧烤,户外照明,车载冰箱等,都是将电瓶内的直流电通过逆变器转换成220V 50HZ的交流电来使用。下面我们来简述一下它的基本原理。
基本原理

如上图,是一个典型的逆变器等效图,图中有S1~S4四个开关构成两个桥臂,开关S1和S2为同一个桥臂,S3和S4为一个桥臂。当开关S1和S4闭合,S2和S3断开,在其负载电阻上可得到Uo=Ud,当开关S2和S3闭合,S1和S4断开时,负载电阻上即可得到Uo=-Ud,这样以开关不断进行操作,在负载上就得到了交流波形,完成直流变为交流的过程。其波形如下图,

需要说明,同一桥臂上的开关不能同时闭合,以免造成电源短路,通过改变开关的频率即可改变交流电的频率。实际上,上图中的四个开关是各种半导体开关器件的理想模型,逆变电路中常用的半导体开关器件有晶闸管、场效应管和绝缘栅晶体管(IGBT)。例如下图是一个由场效应管构成的开关电路。

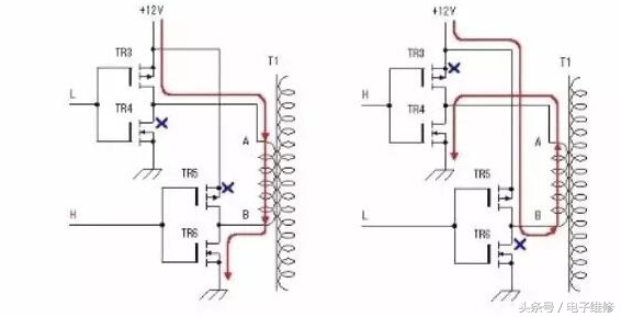
如图,电路的开关器件是由N沟道场应管和P沟道增强型场效应管构成,组成推挽输出的情势。当驱动信号为低电平L时,P沟道场效应管导管,当输入信号为高电平H时,N沟道场管导管,这种交替导通避免了同一桥臂的两个开关同时导通造成电源短路的危害。工作过程如下,场效应管TR3和TR4为同一桥臂,TR5和TR6为同一桥臂,由脉冲信号控制四个开关管的导通闭合产生交变信号施加在变压器的低压绕组上,在变压器高压绕组会感应出高压交流电,完成直流向交流的逆变。
结论

上面所述只是逆变器的基本原理,当然实际应用中,逆变器远比这要复杂的多,一个完整的逆变器是由主电路、控制电路、驱动电路和辅助电源组成。
其中主电路部分包括各种各样完成逆变的开关电路,主要由直流电源(电容)、缓冲器、开关桥路、滤波器和变压器构成,完成能量级别的处理。
控制电路:采集主电路反馈量,实现控制算法和保护策略,得到开关管开关信号。
驱动电路:根据控制板的开关信号,驱动保证场效应管等开关器件的可靠开通和关断。
辅助电源:控制芯片、驱动芯片的辅助电源电路。
总而言之,逆变器就是一种将直流电转换成交流电使用的一种装置。
