
最齐全开关 单控开关 带插座开关接线图实物图不求人,有了这篇文章基本所有的开关 单控开关 带插座开关接线都能搞定了,希望看完多多转发,多多收藏,让更多的人也能学习到这些专业知识,谢谢大家。重要的事情说三遍,一定要关注安全,关注安全,关注安全,自己动手时一定要确保安全的情况下进行,建议旁边有人帮忙看着。
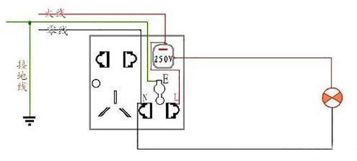
一开5孔插座接线图

一开5孔插座接线分为两种

1、开关不控制插座,而是接照明——

2、开关不接照明,而是控制插座——

电源火线接开关进线和插座火(L)线(也就是说开关进线和插座火线进线并联接电源火线),开关出线接照明,再接插座零线(N),电源零、地线接插座零(N)、地(E)线。L代表相线“火线”,N代表零线!插座上那样接就行了!至于你的开关上,因该是L,L1,L2 那样的3个表示,那是双联开关,主要用于2个开关同时控制一个灯用的!接开关的时候你把相线“火线”接到L点上,用电器线“开关到用电器的线”或许你用开关控制插座呢,呵呵 哪个线随便你接L1,L2任何一个位置都行,只不过接在不一样的2个点上(L1,L2),那样开关的方向就刚好相反!
三联开关接线图

两个开关一个两相插座一个三相插座,应该怎么接线?

双联开关接线图




开关接线图

浴霸开关接线图



三相插座的3个脚有一个是接地的,就接L N 上面有标志的,剩下的一个是接地脚.
\进线接0(火线),出线接1(火线),\这线应是红色的。零线是蓝色的。地线(黄绿线)。插座左边孔零线,右边火线。两个开关的0用线连接好。插座一样用线左对左,右对右连接好。然后左边蓝线,右边红线。就OK了!
看完之后觉得对大家有帮助的话麻烦多多转发,多多收藏,让更多的人能学到这些专业知识,非常感谢大家,如果有更好的建议意见麻烦评论区留言,我会挨个回复,谢谢大家。
请关注“装修工艺大师”每天推送关于装修文章,让您快速的了解装修,学会装修。