康佳35017677三合一板背光灯电路原理与维修:

一、背光灯电路工作原理及电路分析
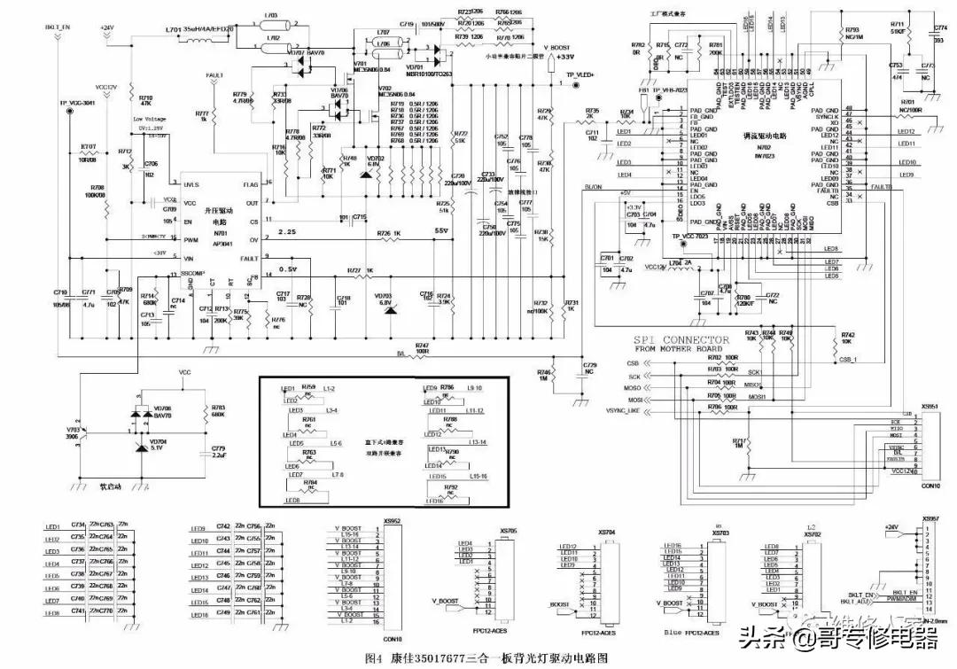
康佳35017677三合一板的LED背光灯驱动电路由升压输出电路和调流控制电路两部分组成。方框图、电路图见下图所示。


遥控开机后,背光灯电路启动工作,将+24V电压提升到33V~50V的直流输出电压,为16路LED背光灯串供电,同时对背光灯串电流进行调整和均衡。
1、+24V供电欠压保护
N701的3脚内部设有欠压UVLO保护电路,+24V供电经R710与R712分压取样后送到N701的3脚。+24V电压正常时,N701正常工作;当+24V电压过低,3脚的取样电压低于1.25V时,N701保护欠压保护电路启动,N701停止输出激励脉冲。
2、调光电路
背光灯驱动电路采用PWM脉冲数字调光的方式,主板电路或外部电路通过N702的SPI通讯接口电路的时钟(SCK)、数据输入/输出(MOSI/ MISO)、片选信号(CSB),对N702内部调流驱动脉冲进行控制和调整,进而控制LED-灯串的点亮或者熄灭的时间比来调节亮度,达到调整背光灯亮度的目的。
3、稳压与同步电路
升压输出电路输出的33V~50V输出电压,经R729、R730、R738与R731//R732分压取样,不仅送到升压驱动电路N701的14脚,对输出电压进行控制,还经R735、R734送到调流驱动电路N702的3脚,对N702内部驱动电路进行控制,稳定输出电流,与升压电路配合,达到最佳匹配态势。
另外,主板控制电路输出的VSYNC-LIKE帧同步脉冲信号,送到N702的51脚,控制N702调流电路与图像同步工作,根据图像的亮度明暗进行同步调整LED灯串电流,提高图像的对比度和效果。
二、电源+背光灯电路常见故障维修
康佳35017677三合一板开关电源+背光灯电路发生故障,主要引发不开机、开机三无、开机黑屏幕故障,可通过视察待机指示灯是否点亮,测量关键的电压,解除保护的方法进行维修。
1、待机指示灯不亮
指示灯不亮主要故障在电源电路中。首先测量PFC电路输出滤波电容器CF919、CF917两端是否有待机300V电压、开机380V左右电压,无电压故障在市电输入抗干扰电路和市电整流滤波电路,先检查保险丝是否熔断。
⑴、保险丝烧断
如果测量保险丝F901是否熔断,如果已经熔断,说明开关电源存在严重短路故障,主要对以下电路进行检测。一是检查交流抗干扰电路CX901、CX902、CY901~CY904和整流滤波BD901~BD904、CF901、CF902是否击穿漏电;二是检查PFC功率因数校正电路的开关管VF903是否击穿;四是检查主电源开关管VW907是否击穿。如果VW907击穿,进一步检查TW901的4-6绕组并接尖峰吸收件是否失效开路;检查NW907的2脚外部稳压控制电路的NW950、NW952,检查NW907的3脚外部过流检测电路的RW918和RW921是否连带损坏。
⑵、保险丝未断
如果测量保险丝F901未断,测量电源有无电压输出,指示灯不亮,主要是开关电源电路未工作。检查测量电源NW907的8脚启动电压和6脚的VDD电压。8脚无启动电压多为外部启动电路RW911、RW910开路;6脚无VDD电压,检查RW906、VDW911、CW915整流滤波电路和VW906、VDW915稳压电路。
如果启动和VDD供电电压正常,测量NW907的5脚有无激励脉冲输出,无脉冲输出检测NW907及其外部电路元件;有激励脉冲输出,检查开关管VW907、开关变压器TW901及其次级整流滤波电路。电源的输出端负载电路发生严重短路故障,也会造成电源无电压输出。
2、待机指示灯亮
指示灯亮,说明开关电源基本正常,可按摇控“POWER”键,测有无POWER-ON开机高电平,无开机高电平故障在微处理器控制系统;有开机高电平,测主电源开关变压器TW901的次级有无+24V、VCC12V直流电压输出,如果测量开关电源始终输出低电压,说明开关电源稳压电路和开关机控制电路发生故障。
⑴、检查PFC电路
由于开关电源的380V供电由PFC电路提供,先查PFC输出端大滤波电容CF919、CF917的电压是否正常,如果仅为300V左右,则PFC电路未工作。检查PFC驱动电路NF903的8脚有无VCC-PFC电压,无VCC-PFC电压检查开关机控制电路VW954、光耦NW953、VW901;有VCC-PFC供电,则检测PFC控制集成电路NF903的7脚输出的驱动波形是否正常,如异常请更换NF903。关注检查PFC滤波电容CF919、CF917是否开路失效。
⑵、检查开关电源电路
PFC输出380V电压正常,测量开关电源输出电压,如果始终输出低电平,多为开关机取样电压控制电路故障。检查由VW953、VW952组成的取样电压控制电路。
3、自动关机维修
发生自动关机故障,一是开关电源接触不良,二是保护电路启动。维修时,可采取测量关键点电压,判断是否保护和解除保护的方法进行维修。
⑴、测量关键点电压
在开机的瞬间测量保护电路VW957的b极电压,该电压正常时为低电平0V。如果开机时或发生故障时,VW957的b极电压变为高电平0.7V以上,则是过压保护电路启动。一是检查引起过压的主电源的稳压控制电路NW952、NW950,二是检查过压保护取样电路稳压管VDW954、VDW959是否漏电。
⑵、解除保护
确定保护之后,可采取解除保护的方法,通电测量开关电源输出电压,确定故障部位。了防止开关电源输出电压过高,引起负载电路损坏,建议先接假负载测量开关电源输出电压,在输出电压正常时,再连接负载电路。解除保护方法是将VW957的b极对地短路。
4、背光灯电路检修
显示屏LED背光灯串全部不亮,主要检查背光灯电路供电、驱动电路等共用电路,也不排除一个背光灯驱动电路发生短路击穿故障,造成共用的供电电路发生开路等故障。
⑴、检查背光灯板工作条件
显示屏始终不亮,伴音、遥控、面板按键控制均正常。此故障主要是LED背光灯电路未工作,需检测以下几个工作条件:
一是检测背光灯电路的+24V、VCC12V供电是否正常。供电不正常,首先检测开关电源并排除故障;如果开关电源输出电压正常,但N701的5脚无供电输入,则是限流电阻R707阻值变大或烧断,引发R707烧断,是N701内部短路、C710、C771电容器击穿等。+24V供电电压不正常,检查+24V整流滤波电路。当+24V电压过低或R710阻值变大时,会造成N701的3脚取样电压降低,N701内部欠压保护电路启动,背光灯电路停止工作。
二是测量N702的9脚BKLT-EN点灯控制电压是否为高电平,点灯控制和调光电压不正常,检修主板控制系统相关电路。
⑵、检修升压输出电路
如果工作条件正常,背光灯电路仍不工作,则是背光灯驱动控制电路和升压输出电路发生故障。通过测量N701的7脚是否有激励脉冲输出来判断故障范围。无激励脉冲输出,则是以N701内部电路故障;如果N701的7脚有激励脉冲输出,升压输出电路仍不工作,则是升压输出电路发生故障。常见为储能电感L701内部绕组短路、升压开关管V701//V702击穿短路或失效、输出滤波电容C720//C750//C733等击穿或失效、续流管VD701击穿短路等。通过电阻测量可快速判断故障所在。
⑶、检修调流电路
检查调流电路N702的12脚VCC12V供电是否正常,如果正常,测量15脚输出的5V基准电压和16脚输出的3.3V基准电压是否正常。如果无电压输出或低于正常值,则是N702内部稳压电路发生故障或外部滤波电容及其负载电路发生短路、漏电故障。检查N702的3脚FB电压是否正常,该电压过高或过低,N702会停止工作。
如果发生光栅局部不亮或暗淡故障,多为个别LED背光灯串发生故障,或调流电路N702内部个别调流MOSFET损坏。由于16路LED灯串调流电路相同,可通过测量LED1~LED16的负极电压或对地电阻,并通过相同部位的电压和电阻值进行比较的方法判断故障范围。那路LED负极电压或对地电阻异常,则是该LED灯串或调流电路发生故障。正常时LED负极电压在2V左右。
如果N702温度过高,显示屏一直闪烁,则是N702过热保护了,多为LED背光灯串有多个LED灯发生短路故障。N702的正常温度在50-60度之间。