一辆配置1.6L MT GEAR BOX发动机的2013年东风风神H30。该车后备箱上锁后,按后备箱开启开关,后备箱可以打开,通俗一点讲就是,车辆上锁后,后备箱无法上锁。
故障诊断:接车后,先做故障验证,用车钥匙上锁,能听到四门上锁声音,分别去拉四门外拉手,四门无法打开,说明四门可以上锁。H30这款车后备箱盖安装了一个后盖开启开关,按动后备箱开启开关,在四门未上锁的情况下,后备箱是可以开启的,但在四门上锁后,后备箱依然可以通过开启开关开启。
通过客户描述,故障验证没有问题,但从这个故障现象来看,觉得哪块控制有问题,修习惯了欧系车,会觉得后备箱锁块出了问题。
当我们拆下后备箱锁块后,测量其锁块关闭开关好坏,结果是良好,用起子上锁锁块,能看到后备箱照明灯自动灭,说明锁块及其锁块电路没有问题。但还是觉得哪里不对,找了找后备箱的电路图,如图1所示。

从电路图中可以看到,此电路并不复杂,多看几眼就能判断出内部的控制逻辑,后备箱开关给MCU一个请求打开信号,MCU控制行李箱解锁继电器,给行李箱锁供电,打开后备箱。
当我们按动行李箱解锁开关,后备箱能够打开,说明这条电路是没有问题的,当我们拔掉F4 20保险后,按动后备箱开关,后备箱无法打开,说明MCU对后备箱电路起控制作用。
所有的诊断,都指向了MCU,难道是MCU出了问题?
打电话询问客户这个故障是什么情况下出现的,客户也说不出来,但告诉我们一个信息,这个车原来到4S店修过,但4S店没有检修出什么故障,说是控制单元出了问题。
这个车难道真的是MCU出了问题?仔细看这个车的配置,发现这个车还带防盗,这个防盗还在MCU里,这就不好修,锁匠干的活,咱不一定能干得出来,咨询锁匠,这车的防盗可以做,但车的其他功能不管,这可不行,其他功能不正常,车子可不算修好。
咨询4S店更换MCU能否匹配编程,4S店说要一个星期,不一定能做出来,这就麻烦了,想了想和客户说,要不把车的电路改改,不用换MCU。
客户想了想,先把车开到4S店,看4S店能否给修好,没想到4S店直接拒绝了,说如果想修好这个故障要半年,这怎么可能,客户最后还是把车开回来,让我们想办法,只要能修好,改也行。
重头整理思路,想在改电路之前再看看,看其他方面会不会造成这个故障。
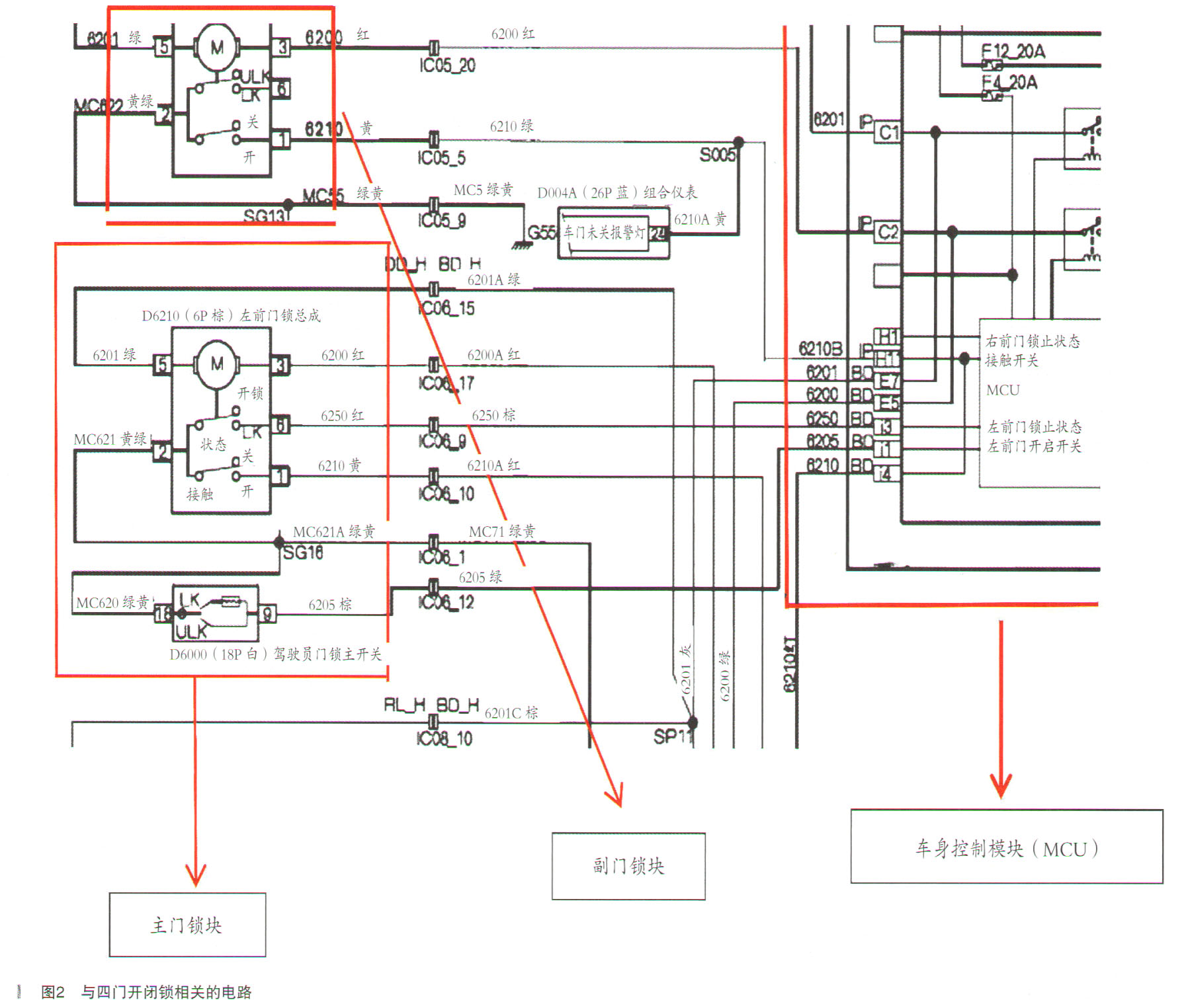
想了想既然和锁车有关,查看MCU电路中和四门开闭锁相关的电路,如图2所示。

从主门锁块中,可以看出来有两个信号比较重要,如图3所示。

根据这两个信号,我们先测试主门门灯指示开关信号,坐在车内,开关门,查看仪表指示,根据开关门,门灯指示能够亮灭,说明此信号正常。
测试主门开锁与闭锁态势信号,这个信号需要把主门内饰板拆掉,拔掉锁块插头,从电路图上看,这个信号是一个开关信号,我们对这个信号直接搭铁,发现双闪有反应,把插头插回,锁块用启子上锁,从插头背部用探针取信号直接搭铁,用钥匙锁车。
去按后备箱开关开后备箱,后备箱已经打不开,功能恢复正常。
从这个诊断结果看,是左前门锁块故障造成的后备箱开启功能异常。
故障排除:更换左前门锁块。