名诗精选
首页
郭小律
辅助生殖宋苏医生
守望秦岭
您关心的财税
游戏下饭小助手
大力神足球
首页
›
CAD江老师
›
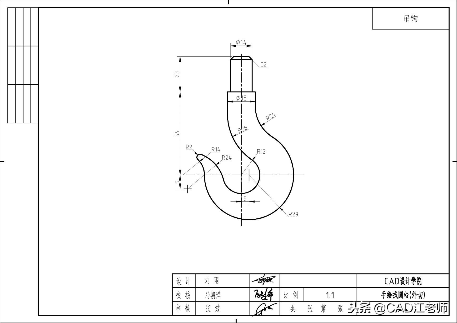
2021cad简单练习图 (2021cad全套基础视频教程)
2021cad简单练习图 (2021cad全套基础视频教程)
🏷️
CAD江老师
✍️ 科技公司CAD讲师 优质教育领域创作者
📅 2026-04-21 01:41:56
0
1
2
3
4
5
6
7
8
9
10
11
12
13
14
15
16
17
18
17
18
19
20
21