文章整理自EDA365D电子论坛 <FPGA|CPLD论坛>
USB全称Universal Serial Bus(通用串行总线),是一个外部总线标准,用于规范电脑与外部设备的连接和通讯。是应用在PC领域的接*技口**术。
USB接口支持设备的即插即用和热插拔功能。USB是在1994年底由英特尔、康柏、IBM、Microsoft等多家公司联合提出的。
今天我们一起看看USB2.0、USB3.0和即将到来的USB4.0有什么区别!
1
USB 2.0
接口分为四种类型A型、B型、Mini型还有后来补充的Micro型接口,每种接口都分插头和插座两个部分,Micro还有比较特殊的AB兼容型。
A型USB插头(plug)和 A型USB插座(receptacle)
01

引脚顺序(左侧为Plug,右侧为Receptacle):

引脚定义:

封装尺寸(单PIN Receptacle):

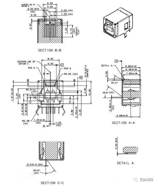
B型USB插头(plug)和B型USB插座(receptacle)
02

引脚顺序(左侧为Plug,右侧为Receptacle,关注箭头所指斜口向上,USB端口朝向自己):

引脚定义、封装尺寸均与A型USB引脚说明相同。
封装尺寸(单PIN Receptacle):

Mini B型USB插头(plug)和Mini B型USB插座(receptacle)
03

引脚顺序(左侧为Plug,右侧为Receptacle,关注宽边在上,USB端口朝向自己):

引脚定义:

封装尺寸(Receptacle):

以上部分为USB 2.0规范内容,下面的Micro USB实际上是在2006年才发布的补充规范,由于该接口定义无法后向支持USB 3.0协议,故仍然归于USB 2.0协议包。
Micro USB插头和插座
04
Micro USB补充定义用于蜂窝电话和便携设备的Micro USB接口,比Mini USB接口更小。其中标准A型和标准B型及Mini-B型都是在USB 2.0规范里定义,2006补充的Micro USB规范定义了,补充了以下定义:
Micro-B plug and receptacle
Micro-AB receptacle
Micro-A plug
由于该协议文档极不清晰,相关插图也是采用贴图情势,所以不再抓图介绍,只放两个实物照片上来看一下(图片来源:USB MOBILE):

引脚顺序:
Micro-USB(右图)从左到右:1、2、3、4、5,引脚定义同Mini-USB:1为V+、2为D-、3为D+、4为ID、5为GND。
2
USB 3.0
USB3.0 —— 也被认为是SuperSpeedUSB,为那些与PC或音频/高频设备相连接的各种设备提供了一个标准接口。
USB 3.0在保持与USB 2.0的兼容性的同时,还提供了下面的几项增强功能:
● 极大提高了带宽——高达5Gbps全双工(USB2.0则为480Mbps半双工);
● 实现了更好的电源管理;
● 能够使主机为器件提供更多的功率,从而实现USB——充电电池、LED照明和迷你风扇等应用;
● 能够使主机更快地识别器件;
● 新的协议使得数据处理的效率更高。
USB3.0可以在存储器件所限定的存储速率下传输大容量文件(如HD电影)。例如,一个采用USB3.0的闪存驱动器可以在15秒钟将1GB的数据转移到一个主机,而USB 2.0则需要43秒。
USB 3.0之所以有“超速”的表现,完全得益于技术的改进。相比USB 2.0接口,USB 3.0增加了更多并行模式的物理总线。

USB 3.0利用了双向数据传输模式,而不再是USB 2.0时代的半双工模式。简单说,数据只需要朝一个方向流动就可以了,简化了等待引起的时间消耗。

USB 3.1是最新的USB规范,该规范由英特尔等大公司发起。与现有的USB技术相比,新USB技术使用一个更高效的数据编码系统,并提供一倍以上的有效数据吞吐率(USB IF协会)。它完全向下兼容现有的USB连接器与线缆。
USB 3.1兼容现有的USB3.0软件堆栈和设备协议、5Gbps的集线器与设备、USB 2.0产品。
usb3.1并不像2.0、3.0那样是实际的接口,usb3.1是一个规范、标准,包括两种generation(usb3.1 gen1,usb3.1 gen2)

在最新的USB 3.1标准中,有三种接口样式,一个是Type-A(即Standard-A,传统计算机上最常见的USB接口样式),一个是Type-B(既Micro-B,目前主流Android智能手机使用的接口样式),另外一个就是Type-C(比较新的设计接口样式)。
3
USB 4.0
USB作为现在数据传输上的标准协议,随着数据量的上升,网络传输速率的大增,也面临着些许焦虑。有消息称USB-IF标准组织连发“弹幕”,透露了USB 4(USB 4.0)将在今年晚些时候发布。

USB协议从3.1到4.0,传输速率提升4倍。
目前电子设备数据传输一般基于USB 3.1标准,只从传输速率上来看,USB 3.0(即USB 3.1 Gen1)的最大传输速率为5Gbps(500MB/s),USB 3.1 Gen2的最大传输速率为10Gbps。
根据USB Promoter Group在2019年2月公布的信息来看,USB 4.0的最大传输速率为40Gbps,相较于USB 3.1翻了4倍。
相较而言,在USB 3.2普及之前,更高效的USB 4.0也再次被提上日程。而关于USB 4.0的关键特性,USB-IF具体给出以下三点特性:
●采用双通道USB Type-C标准,传输速率高达40Gbps;
●支持多个数据和显示协议,以便在总线上有效共享可用带宽;
●向下兼容USB 3.2、USB 2.0和Thunderbolt 3。
针对USB 4.0相关消息来看,关键一点在于将融合英特尔的雷电(Thunderbolt)技术。
而关于完整USB 4.0规范的的推出时间,USB-IF表示,将会在今年下半年推出,预计在制造商开始生产设备之前还需要一年半的时间。
EDA365是30余万电子工程师信赖的技术交流提升平台,我们不仅有可爱的阿杜、阿毛老师,神秘的John大神,还有超过50位版主,其中不乏世界500强企业的首席专家,涉及硬件设计、芯片封装、射频微波、电磁兼容、PCB设计、SI&PI、制造工艺、研发管理等多个领域。
您可以在EDA365对应栏目进行学习,有自己解决不了的问题亦可发帖询问,除了行业大神,还有EDA365特邀大咖版主为您“排忧解惑”。