针对刚接触PLC和变频器的初学者来说,常搞不清楚PLC和变频器要如何配合使用,变频器参数该如何调试。今天特地整理此文,希望对你们有所帮助。
PLC作为逻辑控制器处于主动地位;变频器则作为执行元件处于被动地位。PLC通常需要控制变频器启停及正反转等运行和运行频率。要搞明白PLC如何控制变频器,首先要了解变频器有哪些输入通道和输出通道。变频器通常都提供了数字输入端子(多功能端子),模拟量输出通道(AI)和数字输出端子(一个晶体管和一个继电器),模拟量输出端子(AO)。PLC的控制信号正是通过数字输入和模拟输入进入变频器,变频器又可以将运行信息通过数字输出和模拟输出反馈到PLC,这样配合使系统稳定运行。

了解了控制输入输出通道,变频器运行通道有三种:按键运行指令通道,端子运行指令通道,通讯运行指令通道。频率通道则有多种:键盘数字设定,键盘模拟量通道,端子模拟量通道,多段速频率设定,PID控制设定,通信频率设定等,我们应该根据系统要求设计合理的控制方案,通常由PLC控制的方案有以下几种:
1. 端子运行指令通道+端子模拟量通道。(最常用)
2. 端子运行指令通道+通信频率设定。
3. 通信运行通道+通信频率设定。
4. 端子运行通道+多段速频率设定。
下面我们具体以西门子S7-200 SMART与英威腾GD10系列变频器为例,讲解以上四种方案的使用。

方案一、端子运行指令通道+端子模拟量通道。
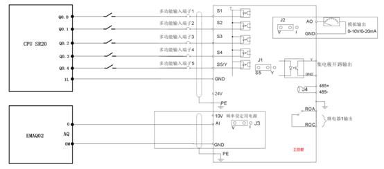
该方案利用多功能输入端子控制运行,频率则由端子模拟量输入通道给定,典型应用场合为小区恒压供水。
参数设置如下:
运行命令通道应设置为端子运行指令通道,如图1-1所示。

图1-1
多功能端子功能定义如图1-2所示。

图1-2
控制模式设置如图1-3所示,最常用模式为两线式模式1。

图1-3
频率源通道应设置为端子模拟了设定,如图1-4所示,通常会有两个频率源A和B,可以通过参数设置不同的组合方式,如图1-5所示。

图1-4

图1-5
变频器与PLC连接图如图1-6所示。

图1-6
方案二、端子运行指令通道+通信频率设定。
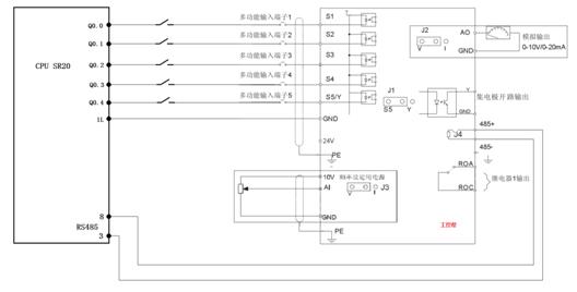
运行命令通道应设置为端子运行指令通道和方案一相同,频率源通道应设置为MODBUS通讯设定,如图2-1所示。

图2-1
除了要将频率源通道设置为通讯模式,还要设置好通讯相关参数,如图2-2所示。波特率和数据位校验设置需与PLC通讯口参数一致,图中指示为SMART默认设置。

图2-2
变频器和PLC连接如图2-3所示。

图2-3
编写通讯程序控制变频器频率时必须要知道变频器频率的通讯地址,查阅说明书得知通讯地址如图2-4所示。

图2-4
方案三、通信运行通道+通信频率设定。
该方案运行命令和频率都由通讯给定,PLC与变频器只需要一根两芯(双绞屏蔽线)通讯线连接。运行命令通道应设置为通讯给定,如图3-1所示。

图3-1
频率源通道应设置为MODBUS通讯设定,与方案二相同。
变频器与PLC连接如图3-2所示。

图3-2
方案四、端子运行通道+多段速频率设定(应用较少)。
该方案利用PLC通过变频器外部端子控制运行,频率则由变频器外部端子组合多段速给定,该方案应用于变频器需要在不同时段以不同速度运行的场合,如球磨机。有些球磨机专用变频器无需PLC也能自动切换段速。
运行命令通道应设置为端子运行指令通道,和方案一相同。频率源设置为多段速运行设定,如图4-1所示。

图4-1
需要将外部多功能端子S定义给多段速使用,定义方法如图4-2所示。

图4-2
需要用到多少段速度应提前设置好,最多可设置16段速。设置方法如图4-3所示。

图4-3
设置好段速后需要用外部多功能端子来组合调用段速,四个多段速功能端子按二进制情势排列组合成0-15共16段速,如图4-4所示。只需要利用PLC输出端子按照图中组合方式接通多段速端子,即可调用0-15段速,例如需要用到4段速度,至少要定义两个多段速端子,通过S1和S2组合调用0,1,2,3段速。

图4-4
变频器与PLC连接如图4-5所示。

图4-5