一、一些关于音乐及器材的题外话

(图片来源网络)
音乐是一个永恒的话题,每个人都会有自己喜欢的音乐,但每个人欣赏音乐的方式和需求又不一样,有些人只需要能有听清楚就行了,也不管你什么音质音效音色,有些人就喜欢声音很大声,需要用上轰炸机般强大的功放和音箱,几十里外都能听到声音,其实这些都是无可厚非的,每个人对音乐的感受和认知都不一样,只要能让人听着舒服就算是他喜欢的音乐了。
那些针对音乐无法进行描述和区分的耳朵,我们戏称为“木耳”(非“黑木耳”),但这里我并没有贬低的意思,只是想说明,有些人确实是对声音不敏感的。
作一个小小的音乐的爱好者,还不算“木耳”,能够区分基本音乐元素,所以对音乐还是有一定追求的。每每看到那些土豪们几十万的HIFI设备摆在私家音乐大房里,常常幻想着自己啥时候也能败个来玩玩,而针对那些号称旗舰的耳机,虽然暗骂那些人买来也是装逼的,但内心也是无比的渴望能够装一装,无奈需要养家糊口,手头拮据,玩不起那些高级货。
说到音乐,总能和音乐器材联系在一起,音乐器材的内容有点多,前级、后级、功放、线材、喇叭、电源、音源、解码都是很有讲究的一个系统工程,且大件的音乐器材需要场地、时间和巨大的金钱投入,作为上班族的笔者,这些大件的都玩不起,只能可望而不可及。
大的玩不起,我们可以玩小的,今天且让我来装装逼,跟大家来说说价钱相对便宜耳放吧。
二、什么是耳放

(图片来源网络)
耳放的全称叫耳机功率放大器(耳机供放),我们可以简单的理解为:给耳机用的微型供放。耳放是专门针对耳机使用而研发的,主要作用增大输出功率推动高端耳机或改善输出效果。耳放音响系统相对那些大的专业影响设备便宜很多,且不用受场地限制,可以在相对少的投入就能获得较好的音乐欣赏效果。
三、为什么我们需要耳放

说到耳放,得先说一说耳机,因为耳放的出现,是和耳机密不可分的。
一般情况下,我们耳机的类型分为耳塞式、入耳式、头戴式、挂耳式,从技术参数上进行分类,可以分为低阻抗、高灵敏度耳机和高阻抗、低灵敏度耳机。
我们一般用的耳机,如耳塞式、入耳式、挂耳式、便携头戴式类的耳机均为低阻抗、高灵敏高的居多,阻抗一般为16-32欧姆左右,一般的设备输出就能推动且能获得较好的效果,但是在一些高端的头戴式或高保真的耳机,往往采用高密度线圈长冲程设计,这时耳机的阻抗会高至200-600欧姆,普通的输出设备会推不动这些耳机,或是能推动耳机但功率不够的情况下,无法发挥耳机的最佳效果,甚至造成音色、音调失真的情况。
为了更好地推动阻抗高的耳机,耳放就应运而生了。耳放除了有提高输出功率的作用以外,还有一定的调音作用,可以在一定程度上改善音质,甚至可以通过更换运放或电子管等方式达到不同的输出效果。
四、耳放有什么类型


耳放也有很多类型,按是否使用场景分为台式和便携式两种,台式的一般在家里使用,块头比较大且需要接上电源使用,便携的一般体积比较小巧,内置充电电池,方便携带外出使用;按使用的元件可分为胆机(电子管)和石机(晶体管)两种,电子管和运放都可以进行更换,通过更换电子管和运放可以获得不同的声音效果。

(图片来源网络)
目前,市面上有很多品牌的耳放可供我们选择,有钱的当然选个贵的来买不会错,随便SONY、Onkyo、Audio-Technica、Beyerdynamic、Creative等牌子都有很好的口碑,如果预算低点,Musiland、HIFIMAN、Fiio等也是不错的选择,如果确实狠不下心买牌子的话,还有一个方法,自己动手,丰衣足食。
五、自己DIY一台耳放


在耳放界中,有一个经典的廉价耳放,叫“47耳放”,是一位外国人设计的电路,因为电路中有较多以47为参数的元件所以称作“47耳放”。这个耳放网上随处都能找到线路图和元件配置,只要有点电子知识的,到电子元件店里照单买件,再按照线路图上件,自己来DIY。整套配件下来,不用九百九,不用九十九,只需要几十块就可以有效果,当然与牌子货比还是有差距的,如果懂电子元件的,还可以在原有的基础上进一步的改善的。作初烧的孩子可以先从低端开始慢慢玩起,像笔者这样兜里没钱,却又想玩的,只能选择自己动手。

由于到电子元件店里买的万能板需要自己布线,且技术不到家,线路布线不好,各种飞线的效果很不雅观,做出来的成品外观不好,也不整齐,也没有外壳,针对处女座有强迫整齐情节的我无法接受。还好,我们还有万能的某宝,某宝上有玩家自己DIY的各种耳放,当然也包含了这款经典的“47耳放”,经过玩家的精心设计走线,再配上元件,买家只需要到将件插到板上再进行固定,组装成型即可使用,
好了,下面和大家分享下笔者的折腾过程吧,确实没什么技术含量的,大神请直接忽略。

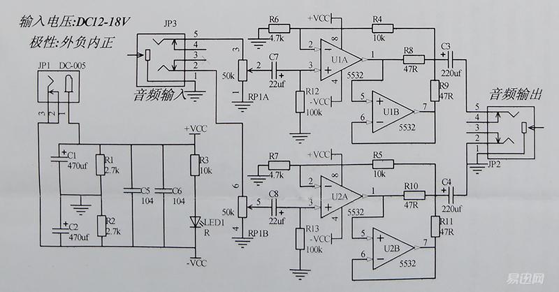
“47耳放”的元件很少,只有不同的阻值的电阻和电容、DC头、电位器,运放插座、运放、3.5MM插孔、LED灯以及一块军工PCB板,零件少得数也能数得过来。

万事俱备,只欠东风,一套手机的设备是必不可少的。电铬铁、锡线、吸锡器、水口钳(忘了放入)、螺丝刀以及吸水海绵是少不了的,其他的不一定用到,图纸可有可无的,因为PCB板上已经印刷好了每一个元件的位置。


按照从元件在PDB板上从低到高的原则进行插元件,首先插入的是电阻,要关注电阻的阻值,不能插错,如果商家没标记阻值的情况下,需要自己用万能表测试好每一个电阻的阻值。如图,将万能表调到测电阻和“Ω”档,从高到低往下调档可以测出电阻值。上图的为9.61K算是接近10K。


将电阻插入到指定位置后,可以将板反过来压桌子上,进行上锡固定。

上完电阻后上电容,电容是有极性的,长脚的一端为正极,PCB板上也有对应粗线的,关注区分一下即可。


将剩下的零件什么的都按照型号插入PCB上有的指定位置上锡固定即可,PCB板已经布好线路,完全不需要有任何的顾虑。

用水口钳将多余的针脚剪掉干净即可,使PCB板变得干净美观。


至此,一个“47耳放”就制作完成,只需要区分好运放的正反后插入到运放插座上,即可大功告成。“47耳放”默认配的是5532运放,这颗运放被称作“运放之星”,很多上万元的功放也是使用这个功放的,笔者用着的漫步者C2X也是采用这处的。当然,也可以升级运放来听,笔者就分别换过OPA 2604AP、AD827JN等运放来进行试听,会有微妙的区别。
由于“47耳放”没有外壳不方便存放,所以卖家也专门制作了相应的盒子进行存放,防尘的同时,方便又美观。

将亚克力的塑纸撕掉,准备安装。

PCB板四角装上筒柱进行固定。

依次从下到上装上亚克力板,再用螺丝固定。



最后将音量的帽子套进去,一个完整的“47耳放”就完成了,是不是很简单呢?加上盒子后的耳放更显得小巧玲珑、美观耐看。


完成了耳放,用接上电源就可以进行试听了。简单的连接好,就能进入个人的耳机音乐世界啦,听声音从耳机里传来的时候,会觉得是那样的美妙和动听。
由于买的时候一并买了USB转5.5X2.1MM的电源线,用手机充电器或是移动电源就能将“47耳放”驱动,但是一般的手机充电器只有5V的输出,而耳放在12-18V才能达到最佳的驱动效果,虽然某宝上也有这种规格输出的电源出售,但本着折腾的精神,所以决定再组装一个DIY电源,材料同样来自万能的某宝LM317电源套装,价钱只需要几十元。



元件也是不多,经过简单的几个步骤,就完成了组装,这里不再详细介绍。输出的电压可调节,最大能够达到12V,达到“47耳放”的最佳供电需求,配合使用非常方便。





因为爱折腾,所以就再次组装了一些便携耳放、胆耳等小设备,金钱上花费不多,需要的是付出时间和耐心,因为都有玩家已经设计好了的电路和配件,买回来其实只需要负责组装即可使用,比较有难度一些的是贴片电容的焊接,但是只要胆大心细,还是能够完成的。

通过组装和自己做对录线等不断折腾,能体验更多音乐以外的乐趣,特别是听到了声音的一刹那,非常欣慰和满足,同时,也在这些不同的设备中试听、分别,一点一点地区别设备间声音的差异,一步一步地改善笔者的耳放系统,让笔者的在一次一次的折腾中都收获小惊喜。
当然,耳放只是耳机音乐系统中的一个环节,一个好的耳机音乐系统需要多方面的整合,如优质的音源、*放播**设备、解码设备、还原设备、功放设备、耳机等都很重要,甚至连线材也有可能对音质形成影响,只有通过实际的使用和试验,才能够更好地改进,更好地享受纯粹的音乐。
不管高富帅,还是矮穷挫,音乐无分国界,也没有贵贱,只有喜欢与否。有钱的土豪上*法大**啊什么肯定差不了,但笔者这样的穷鬼一枚,也有穷人的玩法,倒也自得其乐,那就是:Do it yourself!