
你好,我是方山
01
"安培力是洛伦兹力的宏观表现,洛伦兹力是安培力的微观本质",这句话是很多老师会告诉学生的,也有很多资料书上针对它们两者的关系,也是这么一句话进行介绍。
但是细心的你如果仔细细想,就会发现这里存在一个 超级*b大**ug 。下面我来讲这个bug是什么,以及解决这个bug后,我们针对安培力、洛伦兹力会有一个怎样的全新认识。
咱们先来说说安培力,安培力的大小为

安培力的方向可以根据左手定则判断出来,如下图所示,这根导体杆的安培力的方向向右,那么这根导体棒就会向右运动, 安培力对它会做正功

接着来说说洛伦兹力,洛伦兹力的大小为

洛伦兹力的方向也可以根据左手定则判断出来,如下图所示,这个正电粒子的洛伦兹力的方向总是与其速度方向垂直, 洛伦兹力对它永不做功

Bug就在这里,既然安培力可以做功,而洛伦兹力永不做功,不做功的洛伦兹力通过多次累加就可以做功了?
那为什么说安培力是洛伦兹力的宏观表现呢?
这个显然解释不通。因此,我们需要重头的审视文章开始那句话。
02
我先来解释一下文章开头那句话是怎么来的。
1)导体电流微观表达式
假设一段导体的单位体积内的自由电荷数为n,每个自由电荷所带的电荷量为q,导体的横截面积为S,自由电荷数定向移动的速度为v。
电流的原始定义为I=Q/t,这个式子的 本质含义 是单位时间内流过导体 某横截面积 的电荷量大小就是电流的大小。
如下图所示,我们取这段导线中绿颜色的截面来进行研究

则可根据 电流的定义式 求出这段导体电流的微观表示式

2)安培力与洛伦兹力关系推导
我们现将这段通电导体放入一个方向朝纸面内的匀强磁场中,如图所示

那么,每一个定向移动的电荷所受的洛伦兹力的方向向下,大小为

假设这个导体长度为L,那么整段导体中所有的自由电荷所有的洛伦兹力综合为

从这里的推导可以看到我们文章开始说的那句话,"安培力是洛伦兹力的宏观表现,洛伦兹力是安培力的微观本质"。
03
但是到这里,还没有解释那个开始我们说的那个bug,我们接着来建模分析。、
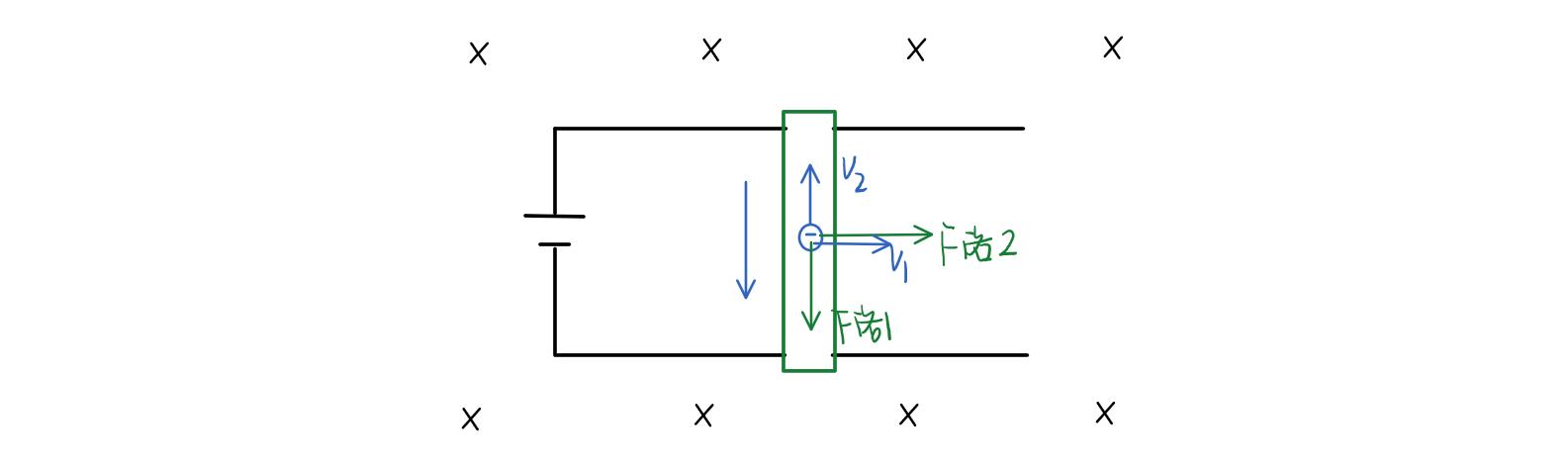
1)(电动机模型) 给导线通电流,导线刚开始是静止的,忽略一切摩擦

刚开始,导体杆静止,导体杆里面的有向下的电流,意味着导体杆里面有向上定向移动的自由电子,这些电子受到向右的洛伦兹力,每个自由电子受到的洛伦兹力的和就是宏观表现出来的安培力,这个安培力就促使 导体棒向右开始运动。
假若导体杆运动起来后,有一个向右的速度v1,导体杆里面的自由电荷定向移动的速度为v2,那么导体杆里面的自由电荷实际的运动速度方向是两个速度的叠加,具体的看下图分析。

导体杆向右移动的速度v1(当然,这也是自由电子向右移动的速度),产生了一个向下的洛伦兹力F洛1。自由电子向上沿着导体杆定向移动的速度v2,产生了一个向右的洛伦兹力F洛2。
每个自由电子所受的洛伦兹力F洛2的合力就是宏观的安培力,每个自由电子所受的洛伦兹力F洛1,在阻碍电子沿着导体杆定向移动,也就是说产生了一个 反向的电动势。
现在设F洛2的宏观安培力做功为W2,F洛1的宏观反电动势做功为W1
重点的来了:由于洛伦兹力不做功,所以,W1+W2=0。
也就可以推理如下式子

由此,我们可以知道这个模型中整个能量的分配关系如下

反向电动势在消耗电能,这部分消耗的电能,都转化到了导体杆的动能上去(增加了导体杆的机械能)。
本质上讲,是 洛伦兹力起到了将电能转化为机械能的桥梁。
2)(发电机模型) 不给导体通电,导体杆有初速度v1,忽略一切摩擦

由于导体杆具有向右的初速度v1,那么自由电荷就会受到向下的洛伦兹力F洛1,这个力会使得自由电荷沿着导体杆向下移动,假设移动向下定向移动的速度为v2,那么自由电荷就会受到一个想左的洛伦兹力F洛2。
这个F洛2的宏观表现就是导体杆所受的安培力,F洛1的宏观表现就是产生了感应电动势, 由于洛伦兹力不做功 ,所以, W1+W2=0 。
由此,我们可以得到这个模型的能量分配如下

导体杆克服了安培力做功,而安培力做功的大小等于产生的感应电动势做功的大小,也就是说,动能全部转化成了电能,然后这部分电能会通过电阻,通过电阻后就会生热
所以,最终的关系就是导体杆的动能,全部转化成了电阻的热量耗散。本质上讲,还是由于洛伦兹力起到的桥梁作用。
04
我对本文的内容进行复盘总结:
①"安培力是洛伦兹力的宏观表现,洛伦兹力是安培力的微观本质",这句话无法解释安培力可以做功,但是洛伦兹力永不做功的问题;
②我推推导了安培力与洛伦兹力的表达式之间的关系;
③我引入了两种模型,一个是 电动机模型 ,一个是 发电机模型 ,从本质上讲解了洛伦兹力与安培力的关系:
洛伦兹力垂直于导体杆的分力的合力才是安培力;洛伦兹力沿着导体杆的分力的合力产生了感应电动势,并且可以知道 安培力做功=感应电动势做功 ,洛伦兹力在机械能与电能之间起到了桥梁作用。
这篇文章我已经尽力的写的通俗,但是理解起来还是需要你花一点点功夫琢磨一下,但是请相信我,花这点时间搞清楚本文的内容,是很值得的。