故障现象
客户描述手机进过水,现在无铃声,外放无声音,无振动。
维修过程
拿到手机后,打开语音备忘录进行录音测试,能正常录音,如图所示。

*放播**录音文件时切换到外放却无声音,看来故障出现在外放方面。测试铃声*放播**时没有
声音,测试振动功能时也没反应,
根据Phone7的工作原理,声音是经过音须功放芯片U3402放大之后输出到喇叭上
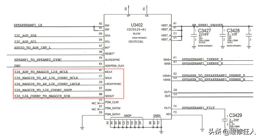
的,振动是由振动控制芯片U3502控制的。确定故障位置后,拆掉音频功放芯片,测量其与CPU通信的I2S总线(见图)是否正常。

通过测量音频功放芯片的I2S总线的二极体值,发现B6脚、D7脚焊盘的二极体值约为
0.说明B6脚、D7脚线路对地短路,如图所示,


查图发现音频功放芯片B6脚的I2S_L26_CODEC_TO _MAGGIE_DIN信号和D7脚的I2S_MAGGIE_TO_L26_CODEC_DOUT 信号,同时和芯片U3502、U3602、
U3101、U3301、U3402相连。
与这两个信号相连的芯片很多,任何一个芯片损坏都会导致故障、由于手机进过水,而
芯片U3602和U3301是封胶的,所以水进木去,先不用考虑这两个芯片的故障,就先考虑
没有封胶的芯片。先从旁边的振动控制芯片U3502开始,拆掉U3502后还是短路,说明不
是U3502导致的短路。只剩下音频芯片U3101是没有被封胶的,直接拆下U3101发现其焊
盘有被腐蚀的痕迹,如图所示






拆掉音频芯片U3101后测量两个信号的二极体值恢复正常,为0.500左右,如图所示。


处理好音频芯片的焊盘,直接更换上好的音频芯片,装上之前拆的音频功放芯片U3402
和振动控制芯片U3502.将主板装到手机中,开机测试外放声音恢复正常,铃声正常,振动
正常。维修到此结束。