大家好,我是九月,文章内容对你有用就请关注和点赞,有人支持,九月才会继续DIY不同的功放分享经验给大家,绝对适合个人DIY,不需要如何专业的技能。
下面先看成品图在说其它,有底气才会说话不腰疼,哈哈。

把你捧在手上
虔诚地焚香
剪下一段烛光
将经纶点亮
不求荡气回肠
只求爱一场(跑题了~)
其实搭棚就是如此简单,零件也不多,摆在一只手上清清楚楚让大家看清。

搭棚完成就把它固定在散热片上面,LED灯亮,是我在插电试听时拍的照片,表示我搭棚成功了。

整个成品图就是这样,左上是整流滤波模块,我把它与功放主体分开,因为以后其它功放搭棚时会用到,不想每个搭棚都买电容与整流桥,10000uf的电容还是挺贵的。插电220v,输入插耳机就可以*放播**千元机功放的声音,试音视频下个视频里可以听,点击我的头像可以找到。下面可是分享搭棚步骤和个人经验。
LM3886介绍:
LM3886芯片(美国NS公司)
简单且优异的性能,使得它在音响制作中广泛的应用,许多成品功放机中就有直接的应用它担任后级功放或者用它作为重低音放大电路。
其特点有:输出功率大(连续输出功率68W)、失真度小-AB类放大(总失真加噪声<0.03%)、保护功能(包括过压保护、过热保护、电流限制、温度限制、开关电源时的扬声器冲击保护、静噪功能)齐全,外围元件少,制作调试容易,工作稳定可靠。
在双AC28V供电、 4欧负载时的喇叭能达到68W的连续平均功率,在双AC35V,8欧负载时能达到50W的平均功率。具有较宽的电源电压范围(双AC供电范围为20V-94V)。
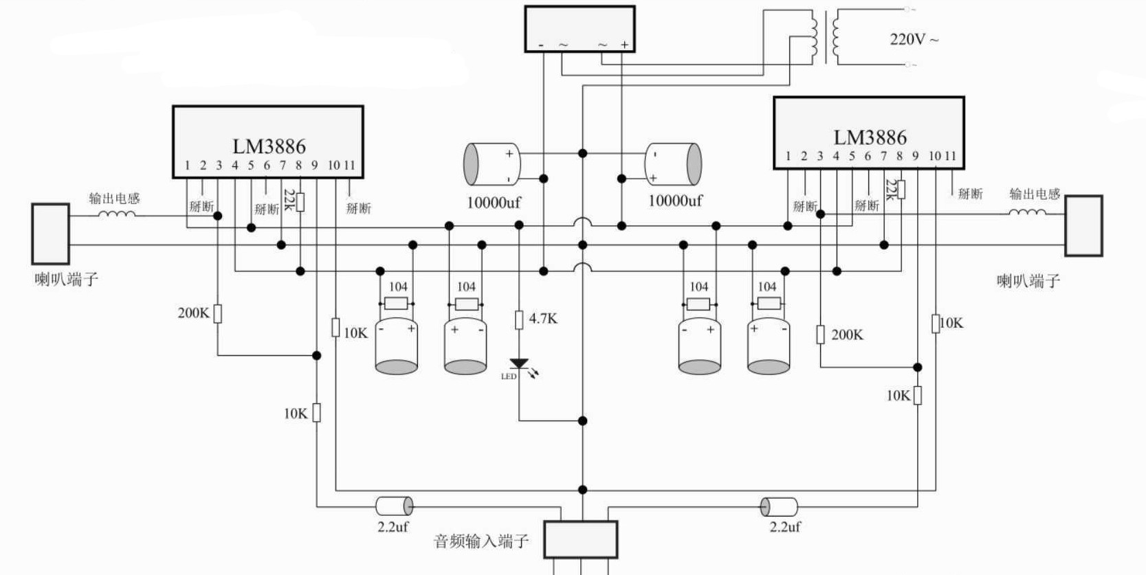
先上搭棚图纸,分享给大家:

零件不多,比较适合搭棚。
IC芯片2个,lm3886
电感2个1uH,作用是减少高音的毛刺感,其实就是线圈,没有也可以。
电阻200k x 2、10k x 4、22k x 2、4.7k x 1。
LED灯一个,红绿黄都可以,选快闪更好。
104独石电容4个,也就是无极性电容0.1uf。
104一起的四个电容选22uf-1000uf的都可以,耐压值选50v,一般为供电电压的2倍,比如供电电压是20v,那么电容就选40v耐压。
整流桥5A,100v以上,适合100w以内的变压器。
变压器,也就是牛选20w以上,最好100w的,大点功率足低音就更强劲有力。如果选200w的牛,那么你们整流桥就要选10A,100v以上。牛的输出脚选双AC供电范围为20V-94V内都行,关注双指的是4线的。
两个大的滤波电容10000uf,50v耐压,可以在两个10000uf电容各自上并联104电容,滤高频用的。4700uf的两个电容也可以。如果连4700uf也没有就用4个2200uf两两并联。零件就介绍到这里了,够清楚了把。
搭棚步骤:
准备齐零件,焊烙铁哪些不用我再次提醒了,不知道看我之前搭棚lm1875的攻略。
- 把零件按自己的喜好或者按图纸大概摆放位置,心里预算一下如何摆放走线最简单或者如何走线最美观,有人喜欢走线方方正正,有人喜欢走线最短路径最少,还有人喜欢走出个花型来,所以看个人喜好。

2. 九月个人经验,把走线分4层,
- 把IC脚10和7分到一层最底下走GND线,选最粗的铜条,还可以做支撑固定,在考虑走线美观的情况下还要考虑支撑。
- IC的8、4脚分同一层面为第三层。
- IC的1、5脚走第二层面,与第三不在同一水平面。
- IC的9、3脚在最上水平面一层,这样从地下开始往上焊接,每层面直接互相不接触也不交叉,避免了短路一层保护。
- 走线用包漆线,它绝缘又是一层保护,最大程度的避免短路。

3. 心里有大概走线了就可以焊接了,关注~焊接时包漆线要把焊接点去表面漆。

- 所以成功就这么简单啦啦啦啦,成就感有木有,有木有,成功了记得把你的搭棚图拍照留言给我,分享一下你的成果,独乐乐不如众乐乐。

接好牛和喇叭,下面是试电了,同样有点小技巧的。
插电的手不要松开插头,插电一秒到三秒视察你搭棚的产品在这一两秒内有没有冒烟啊,异常情况,如果有就立刻拔插头或者关电,如果没异常也关电拔插头,然后检查搭棚的3886,摸摸散热片是不是过热,摸摸IC塑料部分有没有发烫,正常一两秒试电不会感觉发热的。
检查没问题了在接好线,插上耳机线到手机,然后在插电LED灯亮起,手机可以放歌了,恭喜你成功了。


如果散热片足够,听歌15分钟IC温度不高,我特意用温度表量了,大家可以看到两个IC只有29度,40度以内都可以接受,我室温是24度。
关于有噪音的问题:
1. 记得IC与散热片之间不能有直接接触,要有绝缘片和绝缘螺丝固定,有散热膏涂抹于IC与散热片之间最好,散热膏要用哪些没有金属成分的,有绝缘片可以不用散热膏。
2.地线一定要接好,搭棚中的地线GND直接接到你家插座里的地线上,选择三个脚的插头插电,很多搭棚成功的即使不播音乐都明显听到噪音,很大几率是地线没有接好,或者是地线接触到了散热片。而散热片与IC绝缘没做好会产生噪音。(下图就是3脚插头,地线直接连接到牛的地线上)

3. 检查有没有短路,线与线之间。
4. 以上1,2和3都解决还是有噪音,那就把整流滤波电容换了,一般4700uf以上2个并联或者两个10000uf的电容就不会有电流噪音,上面提到的并联104电容就是解决噪音的。
该关注的该提示的都说了,这应该是最详细的搭棚步骤了。
希望我的经验能帮你成功。
然后附上官方功放线路图给大家。

在分享用电池供电的官方线路给大家,不用牛。

就这么多了,最后分享一个4寸的音箱设计图给DIY成功的朋友们。可以自己直接做出来。

#2020生机大会#
薪火传承,DIY之路不孤单,因为我乐于分享我的经验。