豆浆机的组成
豆浆机主要由操作按键,机头,防溢电极,下盖,不锈钢内杯,刀片,强电耦合器等组成。
见下图

-
操作按键:按下功能按键选择要执行的功能程序,相应的指示灯亮。
-
机头:机头是豆浆机的主要部件,机头的上盖有提手,机头内安装有电脑板,变压器和打浆电机等部件。
-
防溢电极:防溢电极设置在杯体上方,用来检测豆浆是否沸腾,防止豆浆溢出。为确保防溢电极正常工作,必须及时将其清洗干净,同时豆浆不宜太稀,否则防溢电极将失去防护作用,造成溢出。
-
下盖:下盖实际上属于机头的一部分,用来安装电脑板,变压器和打浆机等主要部件。
-
不锈钢内杯,用来盛放豆浆
-
刀片:用来粉碎各种物料。
-
强电耦合器:豆浆机的安全装置,当提起机头后自动断电。
电路组成
稳压电源电路,微电脑控制电路,温度检测电路,电动机加热管电路,语音电路等
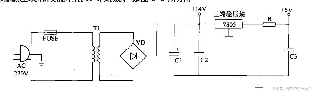
1、稳压电源电路
主要由降压变压T1,桥式整流二极管vd,滤波电容C1,C2,以及7805三端稳压器和限流电阻R组成,如下图。

2、微电脑控制电路
微电脑控制电路一般由CPU,复位电路,加热控制电路,继电器以及电动机控制电路组成。见下图

3、温度检测电路
温度检测电路主要由比较器IC,温度传感器以及外围元器件组成,温度传感器实际是一个负温度系数的热敏电阻。比较器加上图,
4、电动机和加热管电路
主要由电动机,加热管和继电器组成。
5、语音电路
一般有语音芯片,驱动放大电路,偏置电阻和扬声器组成,语音芯片见下图。


工作原理
接通电源,220V交流电分两路:一路经温度熔丝,给加热管和电动机供电,另一路经变压器变压后,再经桥式整流器,滤波电容得到直流电压,为继电器和晶闸管、扬声器供电。直流电压再经7805后得到5V电压给电源指示灯和CPU供电。
按下启动键,机器便执行自动工作程序,先由语音电路输出语音信号,经驱动放大后,告知机器已工作。CPU输出高电平,使晶闸管饱和导通,继电器得电吸合额,加热管开始加热,当水温达到限定温度时,温度传感器阻值变小,CPU输出低电平,启动电动机工作,开始打浆。
电动机工作一定时间后,CPU控制晶闸管截止,继电器断开,电动机停止工作,CPU再使晶闸管导通,继电器吸和,加热管加热一定时间,然后电动机再工作一定时间,停止后再加热一定时间,如此反复数次后,再持续加热,直至将豆浆加热至沸点,再防溢煮一定时间,然后CPU控制电热管停止加热,语音芯片输出语音信号,提示豆浆已做好。
豆浆机参考电路


豆浆机结构




