洁净室净化空调系统的冷、热源:
净化空调系统冷源的选择:
一、集中冷冻站和分散独立冷源的比较和选择。
大型规模化的生产工厂集中设置冷冻站,对建造投资和运行管理都是比较有利的。但是由于一些温、湿要求差别比较大供冷参数不同;运行规律、运行时间不同的洁净车间来说,在集中冷冻站基础上,就近设置分散、独立、专用的制冷机组,这对节省能源,保证参数和方便运行管理都有极大的好处。
二、冷媒采用冷冻水还是氟立昂直接蒸发。
针对大型的工厂由集中的冷冻站供给冷冻水作为净化空调系统的冷媒较为有利。因冷冻水输送方便,输送过程冷损失较小;而且,冷冻水作冷媒对净化空调系统参数的控制、调节和维护管理也都比较有利。但是小的独立分散的制冷机组可采用水冷冷水机组,也可采用风冷直接蒸发的制冷机组。这要根据具体项目的具体情况而定。
三、采用压缩式制冷机还是采用直燃式溴化锂吸收式制冷机。
活塞式、离心式、螺杆式制冷机都是压缩式制冷机,在净化空调设计中最多采用的还是离心、螺杆等压缩制冷机。因为其投资低,运行管理方便,但其运行耗电很高。压缩式制冷机组的冷冻水供水温度可调,最低供水温度可为4℃。但是,在供电紧张而燃气和煤供应较为方便的地区,尤其是有废热废蒸汽可以利用的场合,采用直燃式溴化锂吸收式制冷机更为经济,尤其是这种制冷机组在供冷的同时还可供热。
四、净化空调系统冷冻水的温度的确定
当以冷冻水作为净化空调系统的冷媒时,在一般的情况下,冷冻水的初温(表冷器冷冻水的进口温度)应比处理后空气的终温(设计计算中确定)至少要低3.5℃;如果是以冷冻方式去湿降温为目的空气处理系统,冷冻水的终温(表冷器冷冻水的出口温度)应比处理后空气的终温低0.7℃;用作干式冷盘管的冷冻水的初温(进口温度)应比洁净室内空气的*点露**温度至少高2℃。
净化空调系统冷源的选择:
一、以冬季防冻为目的新风预热加热器的热媒最好采用电加热或蒸汽加热,一般不宜采用热水作热媒,这样预热器本身可能有被冻坏的危险。
二、空调机组内加热器的热媒可采用热水、蒸汽或电加热,其中电加热控制灵活方便,温度控制精确度高,但运行费昂贵,一般在没有热水和蒸汽供应的地方才用电加热;用热水作热媒时不仅调节和管理方便、而且控制精度也高是加热器最常用的热媒;当温度的精度要求不高(如℃)也可采用蒸汽作加热器的热媒。
三、当温度的精度要求很高的时候(如℃)宜在送入洁净室的支管上设温度精度微调节的电加热器是一个可行的方法。
四、净化空调系统的加湿比较方便、可行、经济、可靠的方法是用过热蒸汽(≥0.2MPa)作热媒采用干蒸汽加湿器进行加湿,或采用电热式或电极式加湿器。当相对湿度的精度要求不高且加湿量较大时,宜采用水来加湿,可采用淋水,湿膜或喷雾(高压喷雾或高压微雾)等情势。
空调和净化设备的选择:
过滤器的基本知识和过滤器的选择
一、过滤器的分类:按过滤器的性能(效率、阻力、容尘量)进行分类,根据我国有关规范可将过滤器划分为粗效、中效、高效、亚高效、高效和超高效六大类。
根据我国“空气过滤器”GB/T14295-93(新标准:GB/T14295-2008)国家标准划分
空气过滤器的效率和阻力

高效过滤器和超高效过滤器的效率和阻力。
性能指标性能类别额定风量下的大气尘计数效率(%)额定风量下的初阻力(Pa)A 高效额定风量下的钠焰效率≥99.9≤190B 高效额定风量和20%额定风量的钠焰效率≥99.99≤220C 高效额定风量和20%额定风量的钠焰效率≥99.999≤250D 超高效额定风量和20%额定风量的计数效率(≥0.1μm)≥99.999≤280。
根据我国“高效空气过滤器”GB13554-92(新标准GB/T3554-2008)国家标准划分
高效过滤器和超高效过滤器的效率和阻力

我国过滤器分类与欧美国家分类的比较表:

各类过滤器效率的测试方法:
针对空气过滤器的效率而言,相同的过滤器其效率的测试方法不同它们的效率的值也不相同,因此使用过滤器时不仅仅要了解其过滤效率,而且还要知道它们效率的测试方法。
1、一般通风用粗效、中效、高中效过滤器效率的测试方法。
① 计重法:有人工尘计重法和大气尘计重法,此方法源于美国,国际流行,多用于粗效过滤器的效率测试。
② 比色法:源于美国,国际通行,用于中效过滤器的效率测试。
③ 人工尘计数法:欧洲通行,将取代比色法,用于中效测试。
④ 大气尘计数法:我国的标准。
2、高效过滤器测试方法
① 钠焰法:中国标准。
② DOP法:源于美国,国际通行。
③ 油雾法:俄国标准,在德国和我国也通行。
④ MPPS法:欧洲标准将取代上述各种方法(最低透过率粒径法)。
各类空气过滤器的功能和作用:
各种过滤器都具有一定的功能,都不是万能的。它的功能就决定了它的作用和使用范围。对其选用正确,使用合理,它们就能充分发挥功能,起到应起的作用;如果选用不当,使用不合理,不仅不能发挥其作用,有时还会产生相反的后果。它们的功能和作用如下:
1、粗效过滤器:其功能是去除≥5μm的尘埃粒子,在空调净化系统中作为预过滤器。其作用是保护中效.高效过滤器和空调箱内的其他配件以延长它们的使用寿命。
2、中效过滤器:其功能是去除≥1.0μm的尘埃粒子,在空调净化系统中作为中间过滤器。其作用是减少高效过滤器的负荷,延长高效和空调箱内配件的使用寿命。
3、高中效过滤器:其功能是去除≥1.0μm的尘埃粒子,在空调净化系统中作为中间过滤器,在一般通风系统中可作为终端过滤器。
4、亚高效过滤器:其功能是去除≥0.5μm的尘埃粒子,在空调净化系统中作中间过滤器,在低级净化系统中可做终端过滤器使用。
5、高效过滤器:是空调净化系统中的终端过滤器,它的功能是去除≥0.3μm的尘埃粒子,达到净化目的。是洁净室必备的净化设备。
6、超高效过滤器:其功能是去除≥0.1μm的尘埃粒子,是建造高级别洁净室(0.1μm洁净室)的必备净化设备,是该洁净室的终端净化设备。
空气处理机组的选择:
空气处理机组包括空调器(AHU)、新风机组(MAU)和循环机组(RAU),都是空调净化系统常用的空气热湿交换和空气净化处理设备。
一、工业洁净室用空调机组
工业洁净厂房的空气处理机组是服务于净化空调系统的,因此空气处理机组也必须满足净化空调所需的特点。
1、洁净厂房的温、湿度和洁净度要求严格,一般情况室内热负荷很大、空气处理的焓差很大、冷却后的空气的*点露**温度很低,因此空气处理机组的保温性能要好(保温材料为聚苯乙烯或聚氨脂发泡时保温层厚度≥40mm),防止表面结露,冷耗过大;同时还应避免冷桥现象的产生。
2、因净化空调系统总阻力较大,故要求空调机组的风机压头很高(≈1500Pa),因此随之要求空调机组围护板壁的强度和刚度要好,不要产生负压段凹进去,正压段凸出来的变形。
3、为了减少冷损失和漏风,则要求空调机组的密封性能好,特别是段与段的联接处和门开启处的密封。按标准要求空调机组的漏风率≤1%。
4、为了保证洁净厂房的温、湿度和洁净度,并且尽量节省能量,要求空调机组有较好的自动控制,如风机的变频等。又因为空气的冷、热、湿处理的功能较多,故空调机组体形较大、长度较长。
二、生物洁净室用空调机组
生物洁净室是以微生物(细菌、病毒等)为主要研究对象的,微生物与尘埃粒子不同,它是活的、不断生长繁殖的粒子,因此服务于生物洁净室的空气处理机组应具备如下特点:
1、为了方便灭菌、消毒、空调机组的内表面以及内部的零配件应耐消毒药品的腐蚀,表面要光洁。
2、因为潮湿是微生物生长的最佳条件。因此,空调机组内部不能集水集尘,结构要方便排水;表冷器凝结水应设有自动防倒吸功能,并顺利排出凝结水;更不能采用淋水段。
3、空调机组的加湿只能采用干蒸汽加湿器(电极式或电热式蒸汽加湿器),而不能使用湿膜、超声波和高压喷雾等有水的加湿器。
4、为了防止空气带水,空调器表冷器的断面风速V<2.0m/s。
5、空调机组的密封要可靠,其漏风率≤1%。
6、空调机组的强度和刚度要好,有一定的承压能力。
7、各级(粗效、中效、亚高效)过滤器的过滤效率要高,而且最好采用一次性的抛弃型过滤器。
三、表冷器、加热器、加湿器的选择
1、表冷器是空调机组降温去湿的关键设备,一般表冷器由铜管和铝翅片构成。表冷器的换热面积(排数)要经计算求得,在设计中,设计人员要把空气经表冷器处理前后的参数(温度、相对湿度或焓)以及冷冻水的供回水温度提供给供货商,由供货商计算和配置表冷器。表冷器后面要设挡水板,表冷器下部设滴水盘,凝结水排水要通畅,排水管上要合理地设置水封。水封的高度要与空调器内的压力相匹配。
2、加热器是空调机组中的加热设备。在空调机组中有一次加热(预热)和二次加热(再热)两组。加热的热媒有蒸汽、热水和电。
① 一次加热(预热)器设置在新风进入空调机组处,其目的是为了防冻和防混合结霜、结雾。因此,一次加热器一般用在北方(长江以北)较冷的地区。长江以南不会结冻的地区可不设一次加热器。一次加热后的新风温度一般为+5℃。用加热器后的温度探头来控加热量。一次加热的热媒最好是蒸汽和电,如果用热水做热媒要考虑加热器本身的防冻问题。
② 二次加热(再热)器设在表冷器之后,设置目的是为了调节洁净厂房内的温、湿度以达到设计参数。因为,二次加热量越小就越节省空调的运行费用,故在设计时要选择二次加热量较小的节能方案。二次加热的热媒最好用热水,因为热水在温、湿调节时比较稳定可靠。
③ 当洁净厂房的温、湿度精度要求极高和非常严格时,为了确保其参数有时在风管上还要设置微调的电加热器。
3、加湿器是空调机组中的加湿设备,在冬季时为了保证洁净厂房内必要的相对湿度,必须对空调送风进行必要的加湿。
加湿器一般有两种,一种是以水为加湿源的等焓加湿。如湿膜、淋水、超声波、高压喷雾等加湿器。这种加湿方法简单、价格便宜,加湿量也大,但其加湿的精度较差。一般相对湿度要求在>10%的情况下用得较多。水加湿的方法不应用在生物洁净室。因为,水加湿会给微生物提供良好生存繁殖条件。
另一种加湿方法是以蒸汽为加湿源的等温加湿。如蒸汽加湿器、干蒸汽加湿器、电极式(电热式)蒸汽加湿器等。这种加湿方法必须有蒸汽源,如果没有蒸汽必须用电来产生蒸汽。此种加湿方法价格较高,但加湿精度很高,当相对湿度要求≤±5%时应采用等温加湿方法。它广泛应用在电子工业的洁净厂房和生物洁净室的加湿中。
4、淋水室和化学过滤的应用
① 淋水室是空调热湿交换的空气与冷媒直接接触的方式。此种淋水情势不仅可用于热湿交换上,还可以对新风进行品质上的处理。例如,集成电路用的洁净厂房其污染源不仅仅是尘埃粒子,而且,重金属离子和分子级低浓度的化学污染也成为超大规模集成电路生产的重要污染源,当净化空调系统的新风采用淋水室的湿法处理时,可以去除新风中的NH4、SO4、NO3等分子级的化学污染,当采用自来水和纯水两级淋水时其效果会更好。
② 活性碳过滤器和化学过滤器是空调机组中去除异味和分子级低浓度的化学污染的重要设备,一般多用在新风机组中。
消声器和消声弯头的选择:
洁净厂房的噪声按国家规范“洁净厂房设计规范”(GB 50073-2013)的规定,单向流洁净室空态噪声≤65dB(A);非单向流洁净室空态噪声≤60dB(A)。这就要求在净化空调系统的送风、回风管道上(排风管道上)都要设置必要的消声设备,尤其在回风管道上。消声器的选择要进行计算。
洁净厂房的净化空调系统的消声器和消声弯头不应给净化系统带来污染。最好采用微孔板式消声器和消声弯头,也可选用其他洁净空调系统专用的阻式或抗式消声设备。
净化空调机组送风机的选择
净化空调系统的送风机设在空调机组内,其送风机应具有如下特点:
一、有足够的余压。一般除克服机外管网系统的总阻力以外,还要考虑克服高效过滤器的终阻力和一定的安全裕量。但风机压头选得过大不但能耗大,而且还会产生较大的噪声。
二、要有足够的送风量。即消除室内余热、余湿和净化的最大风量,并且还应有10%的的安全裕量。
三、风机应为变频风机,送风量依系统阻力变化可以自动调节,即保证了洁净厂房内的温、湿度和洁净度又做到节省耗源。
四、要高效率和低噪声。
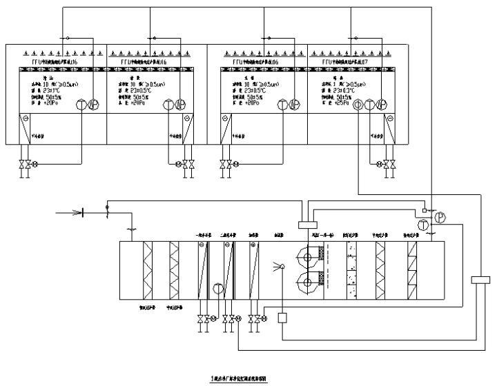
FFU及干冷盘管的选择:
一、FFU(风机过滤器单元)。
FFU是近年普通应用在单向流和混合流中的重要净化设备。它是有标准模数尺寸(1200×600mm,600×600mm,1200×1200mm等)的风机和过滤器(高效过滤器、超高效过滤器)的组合体做为洁净室的终端设备,分散或集中地布置在洁净厂房的吊顶上。为了保证洁净厂房的室内参数,它经常与干冷盘管和新风机组配合使用。

其性能参数最好是:
1、断面平均风速为0.45m/s,而出风速度的均匀性应为平均风速的±15%。
2、FFU的机外余压应≥100Pa,最好是140Pa以上。
3、FFU的单体噪声应≤50dB(A)。因在单向流洁净厂房中往往成百台上千台的FFU集中设在吊顶上,如果单体噪声太高,则叠加噪声就不能被接受。
4、断面风速可调。智能化调节,变频调节都是可行的。
5、FFU风机的寿命最少应大于50000小时。
二、干冷盘管:
干冷盘管是新风机组加干冷盘管加FFU空调净化送风方案的洁净厂房控制温度的关键换热设备,设置在洁净厂房回风夹道的下部或上部。对其性能要求如下:
1、为了避免在系统正常运行时干冷盘管产生结露现象,因此通过干冷盘管的进水水温要高于室内空气*点露**1℃~2℃。
2、为了导走洁净厂房空调系统启动时产生的冷凝水,干冷盘管系统还要设置滴水盘和排水系统。
3、干冷盘管的排数最好为双排,而且空气通过时阻力不能太大,因此盘管铝翅片的间距最好为3mm。
4、为了减少空气通过盘管的阻力,通过盘管的风速应< 2m/s。
施工图的绘制:
一、施工图主要设计文件有:图纸目录、设计与施工说明、设备表、计算书和图纸
二、施工图内容
1、图纸目录
2、设计与施工说明
① 设计说明:主要介绍设计概况、设计依据、设计范围、室内外的参数,冷、热媒的来源和参数,采暖、通风、空调、净化系统的冷、热、湿负荷的指标和系统方案及其控制方法。
② 施工说明:说明设计中使用的材料、附件、系统的工作压力和试验压力以及施工安装的要求和关注事项。
③ 图例。
3、设备表
设备的名称、规格型号、技术参数、数量、服务对象。
4、设计图纸
① 平面图: 建筑轮廓、轴线、房间名称、地面标高、指北针。
采暖平面图的散热片位置、片数、管道位置和主管编号、管道配件、干管标高坡度坡向。
通风空调净化风管画双线,水管画单线,管道的管径、安装标高、设备和管道、风口的大小和定位尺寸,管道的配件如消声器、防火阀、调节阀等规格型号。
② 剖面图:在管道多、交叉多的平面图表示不清楚的地方画剖面图,剖面图要给出设备、管道等与建筑的板、柱、梁、地之间的人才关系,注明设备、管道、配件的尺寸和标高。
③ 流程图、系统图和自动控制原理图。
④ 节点详图。
计算书的内容
包括:空调净化的负荷计算书;风量计算书、管道的水力计算书;设备(制冷机、空调器、冷却塔、水泵风机等)的选择计算书等。
所有图纸中,净化空调原理图和净化空调自动控制原理图非常重要的图纸,它能反映出设计的全部内容。如:系统型式,冷、热量大小,节能优化,室内的温湿度、洁净度等重要内容。
施工现场的工地工作
工地工作的内容很多,如:
一、施工图交底。设计人员向施工单位和建设甲方介绍设计内容、施工要求、设备选择以及施工时的关注事项等。
二、施工图变更修改。应施工单位或建设单位的要求对原设计的施工图进行合理的修改变更以满足施工方或建设方的要求。
三、配合建设单位和施工方对工程进行调试和竣工验收。
四、必要的现场服务和参加现场的例行会议。
洁净室的竣工验收调试,性能测试和洁净室的综合评价:
竣工验收的调试工作要分以下四个步骤进行。
调试前的准备工作;单机试车;联动调试;洁净室的性能测试和综合评价。
调试前的准备工作:
一、调试的组织准备
成立以建设单位(业主)为组长的有设计单位、施工单位、监理单位人员参加的调试小组。调试小组领导调试的全面工作,调试小组协调各方面的关系,调试小组为调试工作提供各种软硬条件。
二、编制调试大纲
在调试小组领导和组织下,编制调试大纲。调试大纲是调试工作的指导性文件。调试大纲的内容包括:组织分工、人员安排、物资调动;调试项目、调试方法、调试仪表;调试程序、调试进度、调试计划安排等。调试大纲的编制使调试人员思想明确、认识统一、步调一致、行动整齐,使调试工作顺利进行。
三、施工现场质量的会检
在调试小组的领导组织下,有建设单位、设计单位、施工单位、监理单位的有关领导和技术人员参加,对施工现场、施工质量进行全面会检。从冷冻站、换热站、锅炉房、变配电站、空调机房到供冷、供热、供电系统、空调净化系统和自动控制系统。从设备(冷冻机、锅炉、水泵、冷却塔、空调器等)、配件(阀门、风口、消声器等)、管道和管线到保温、设备基础、管道支吊架等的工程施工质量进行全面会检。看是否按图施工、查与设计图不符之处,找施工质量不合格项目并查其原因。并对施工、加工、安装等质量问题逐一填写“缺陷明细表”,提出整改意见,限期(正式调试之前)整改完毕。
四、空调设备、空调系统的清扫
1、调试之前对洁净室进行全面、彻底的清扫是十分必要的。对洁净室的地面、墙面、吊顶、门窗进行认真、全面、彻底的大扫除(最好请专业的清洁公司);对空调设备、空调管道(送风管、回风管、新风管),空调配件(清声器、阀门、风口等)进行检查、检漏和擦试。达到洁净要求为止。
2、安装粗效、中效过滤器进行第一次空吹。在彻底清扫的基础上,安装空调器内的粗效和中效过滤器。对整个净化空调系统进行空吹,空吹时间为24~36小时,使整个系统得到初步的净化。
3、安装高效过滤器。系统空吹后可以安装高效过滤器。高效过滤器在安装之前,要求对其逐一进行检漏,对有泄漏者进行堵漏。检漏在临时检漏台上进行,尘源利用大气尘。被检合格的高效过滤器方能进行安装,安装完毕后对高效过滤器的安装密封再进行检漏(利用尘埃粒子计数器扫描),达到安装合格。
4、高效过滤器安装检漏合格后再对净化空调系统进行第二次空吹。空吹时间24小时,然后方可进行入调试程序。
五、测试仪器、仪表、工具的准备
1、调试前要对调试中所用的仪器仪表进行调试和标定(超过使用时间还需重头进行标定)。所用的仪表包括测量风速、风量、温度、相对湿度、压差、噪声、振动、转数、时间、大气压力和洁净度的仪器仪表等。
2、调试所用的器材、工具的准备。如:电工工具、管工工具、扳金工工具、钳工工具以及爬高上下的梯子等。并且请施工单位配合电工、管工、扳金工和钳工。
3、调试和测试工作所用的图纸和记录表格的准备。
单机试车:
单机试车是对工程中的所有的设备、配件等单体进行试车。单机试车的目的是对这些设备、配件的安装质量和产品出厂质量的检查和考核。单机试车的主要内容有:
水、电先行。即首先对供水供电的设备和系统进行检查和考核。如水泵、变压器、配电箱、开关等。要保证供水、供电的正常、可靠。
进而,对供冷设备(冷冻机、冷却塔、冷冻水泵、冷却水等)、供热设备(锅炉、换热器、热水泵等)、空调设备(表面冷却器、加热器、加湿器、过滤器、风机等)、自动控制设备、仪表、阀门以及各系统的配件进行单体考核。看是否能满足设计要求和正常运行。尤其对转动设备如风机、水泵要试转看是否运转平稳,有无杂音和碰撞和反转现象;用电设备接线是否正确;冷冻机和锅炉是否能达到设计要求;空调器中表冷器的降温去湿能力、加湿器的加湿能力等等进行单体检查、考核。如果出现故障和发现问题,应立即排除。
针对大型设备如冷冻机、锅炉、空调器等(尤其是进口设备)在单机试车时最好有生产厂家的调试人员现场指导或由生产厂家负责试车,待运转正常后再移交给使用单位。单机试车为联动调试做好各个单体设备的准备工作。
联动调试:
联动调试一般情况下分为两个阶段进行,即风量分配阶段和联动调试阶段。
一、风量分配
风量分配即将各个洁净室的送风量、回风量、新风量、排风量全部按设计要求调整到设计风量。因为一个洁净厂房可能有多个空调送风系统和排风系统,或一个空调送风系统要负担多个洁净室的送风。因此,风量分配调试工作是一项工作量大、时间长、耐心细致的工作。风量分配调试工作也是整个调试工作的重点工作。常用的风量分配调试方法采用标准风口法。
标准风口法:一个洁净室可能有几个、几十个空调送风口、回风口。因为它们之间都是相通的,当调整某一个风口送风的风量时其他送风口的风量也会跟其变化。因此,采用标准风口法。
所谓标准风口法,就是在风量分配之前,将所有阀门都开到最大的情况下,在所有的送风口这中找到最不利的送风口(送风量最小的送风口),将此风口作为标准风口。在标准风口上设一监测仪表,随时测试标准风口的风量变化。然后调整其它所有风口风量。因为调整任何一个风口风量时,都会影响已调整过的风口的风量的变化;因此,在调整任何一个风口风量时,都要以标准风口当时风量为参照风量,使所有被调风口的风量均随标准风口的风量变化而同步变化。
当一个净化空调系统负责多个洁净室空调时,调试要以洁净室为单位由末端向总干管方向进行,对各洁净室首先调整其送风量的相对关系量,然后,再用系统的总阀门来将每个送风口,每个洁净室的送风量都调整为真实的设计送风量。
联动调试在风量调整和单机试车后进行。联动调试就将净化空调系统和为净化空调系统服务的所有系统即:供冷系统(冷冻机、冷却塔、水泵以及供冷系统上所有的配件)、供热系统(锅炉、水泵以及供热系统上所有配件)、供电系统(配电箱、变频器……)和自动控制系统全部投入运行,考核各系统的综合性能和联动性能。必要时,在洁净室内人为的设置一定量的负荷,考核温、湿度探头、中间仪表和执行机构的联动是否敏感、协调;考核温、湿度探头是否准确,精度是否合格。
洁净室的性能测试和综合评价:
在风量调整和联动调试的基础上,洁净室空调净化系统以及为其服务的所有系统,均处于正常运行态势。接着进行洁净室的性能测试和综合评价。
1、洁净室的性能测试:
洁净室性能测试内容包括:
洁净度测试、风量测试、正压测试、风速测试(单向流洁净室 )温度、相对湿度测试、噪声测试等。
① 洁净度测试:采样点布置在工作面上(0.8~1.0m),采样点数量N=A1/2(A是洁净室面积‘m2’)。尘埃粒子计数器的采样量要大于1升/分;每个采样点连续有效采样三次。取其平均值做该点的测量值。全部测点的测量值的平均值作为洁净室的洁净度。
② 风量或风速测试:单向流洁室测量断面风速、非单向流洁净室测其风量。
断面风速的测量:距吊顶上送风高效过滤器(HEPA)300mm处布置测点,测点间距为600 mm,用热球风速仪测其各点风速。
风量测试:在送风管或送风口上测送风风量。方法是用比托管和微压差计,测风管内各点的动压,测点间距为100mm。再计算送风量。
在风量调整和联动调试的基础上,洁净室空调净化系统以及为其服务的所有系统,均处于正常运行态势。接着进行洁净室的性能测试和综合评价。
一、洁净室的性能测试
洁净室性能测试内容包括:
洁净度测试、风量测试、正压测试、风速测试(单向流洁净室 )温度、相对湿度测试、噪声测试等。
在对洁净室性能测试的基础上,根据对洁净室洁净度、温、湿度、正压、风量、噪声等测试结果,对洁净室的建设和性能进行竣工验收的综合评价。
三个净化工程的典型案例:
大面积ISO 6级顶送顶回非单向流洁净室工程案例
一、工程概述
深圳赛意法集成电路有限公司封装工序洁净厂房是我国第一个大面积1000级4300m²的顶送顶回的气流流型洁净厂房的成功实例。
同时它还是:国内个别学术权威所说的顶送顶回气流流型是不会做净化空调的人设计的工程实例。
信息产业部第十一设计院设计大师王唯国 推荐十一院净化空调设计人员,要认真学习赛意法设计的精髓和大手笔创造工程实例。
赛意法外方总裁称深圳赛意法的封装厂方是他们跨国公司最优秀的后工序封装厂房。
也是在连续运行二年后动态测试洁净度<400个/ft³,产品成品率高达99%的后工序净化厂房。
赛意法公司的第二期工程(十院设计)和第三期(十一院设计)完全套用了第一期工程的顶送顶回的气流流型。
在2005年西安交大黄淑娟教授带领多名博士生运行先进(美国引进)的CFD数字模拟方法,从理论上证明了顶送顶回的气流流型是正确的和可行的。该实验结果的论文,在2007年国际污染控制年会的交流大会上发表。
后来在我国“洁净厂房设计规范”的修改中肯定了顶送顶回是一种非单向流的气流流型。
1.工艺要求的各种参数:

二、问题的起因
在与外方的设计联络会上,外方总裁要求该洁净厂房在净化空调系统的布置时一定要方便工艺设备的摆放,下部不能有回风口。因厂房宽度为48M,中间只有一排柱子,利用柱子回风很难解决气流的均匀问题,外方提出:他们意法跨国公司的后工序(封装)洁净厂房的净化空调系统都是采用顶送顶回的气流流型,深圳的封装厂房也不例外一定要做成顶送顶回。
作为一个中国的设计人员不能给中国人丢脸,不能说不会做。只能说我们也可以做。但是压力确实很大,顶送顶回的气流流型过去我们没有做过,1000级洁净度洁净仓房的顶送顶回的气流流型就更没有做过。4300m²大面积更是破天荒的。为此我们查阅了大量的美国、日本和韩国的有关资料和文献.设计时我采取了如下多条措施来保证洁净厂房的洁净度和温湿度,并且做到方便施工﹑调试和运行,努力做到一次成功。
三、设计中采取的措施
换气次数为 50次/h。顶送风口两排为一组然后插入一排回风口。为了方便施工安装和调试设计时,采用大型稳压静压箱,其尺寸为 3.0 m×3.5 m×30 m。
结果调试时风口阀门很少调节,远近各风口出风速度相当均匀。
1.为了防止气流短路:
送风口孔板出流风速设计为5m/s,回风口出流风速设计为2.5m/s。
送风口孔板开孔率15%,回风口孔板开孔率30%。
送风口和回风口扩散板之间相对的斜面上不开孔。
最后的测试结果:
从设计到施工用一年的时间(包括土建工程的总建筑面积20000m²)到1996年竣工验收测试是由施工单位,设计单位(即总承包单位)和建设单位三家联合进行,采用三台大流量计数器对空态的洁净车间进行洁净度的测试,其洁净度为24.7个/ft³比1000级提高40倍。测试的房间温度为23±0.3℃,相对湿度为50±3%,所有的参数都优于设计的要求。
在连续运行两年后的1998年,我们进行了设计回访并索取了甲方平时检测记录,纪录的数据表明,车间动态洁净度为159~365个/ft³,车间温度为22.5±0.5℃,车间相对湿度为50±3%,生产的产品成品高达99%。赛意法外方总裁说深圳的封装洁净厂是以意法(意大利和法国)跨国公司里最优秀的后工序厂房。
但是请大家关注,洁净厂房的气流流型还是顶送下回,顶送侧下回为好。除非工艺不允许下回或下侧回时,才考虑其他类型的气流流行。

深圳清溢精密光电有限公司的一级洁净厂房
一、工程概况
1、工艺的环境要求
生产用的TFT基板的原材料为8 mm厚的玻璃板(2 m×1.5 m),进口一块玻璃板原材料价100万RMB,工艺加工完成后刻印上图形卖到TFT工厂的价格为500万元。一期工程面积为800 m²。
环境要求:洁净度有200m²为.1级(≥0.5 μm),600 m²为10级(≥0.5 μm)其温度要求为22±0.3℃,相对温度为50±5%。(其中一台工艺设备价钱就要1-2亿人民币。)
2、施工现场状况
(1)土建工程有一个民用建筑施工单位施工。下夹层地梁表面坑坑洼洼凹凸不平地梁表面高度不平.给架设活动地板造成很多困难。
(2)施工现场环境极为恶劣,土建施工与净化施工同时进行外面灰尘很大。
(3)施工进度要求很短三个月要在2007年7月1日香港回归纪念日进行竣工验收典礼。
二、设计和施工中的措施
1、设计方采用MAU+FFU+DC的方案:三层结构,上夹层是送风技术夹层里面布置新风管和FFU。新风和回风在这里混合,中间层是洁净生产车间,下夹层是回风技术夹层,干冷盘管布置在下夹层。另外一些管道电缆等管线也布置在下夹层。
2、净化空调设备的选用
(1)新风机组任务和选择:
a.新风机组要保证工艺生产房间的相对湿度因此新风机组有加湿和去湿功能;同时也有加热和降温功能,还有高精度的自动控制。新风机组还要保证房间的正压,因此每个工艺房间有独立的新风管,每个新风管上设有电动调节阀和精密的自动控制。
(1)新风机组任务和选择
a.新风机组要保证工艺生产房间的相对湿度因此新风机组有加湿和去湿功能;同时也有加热和降温功能,还有高精度的自动控制。新风机组还要保证房间的正压,因此每个工艺房间有独立的新风管,每个新风管上设有电动调节阀和精密的自动控制。
b.采用5级过滤保证进入工艺生产房间新风的品质并且保护FFU中的超高效过滤器(即共有六级过滤,其中有粗效.中效.化学过滤.中效.高效和超高效过滤器, 共6级)。
c.新风机组的风机为双风机一用一备,保证运行的安全可靠。新风机组的功能段有两级表冷,一级加热.一级加湿两台风机和五级过滤共16个功能段。冷冻水温度1为5-10℃热水温度为50-60℃。加湿用电热式蒸汽加湿器并采用纯水做水源。
设计选用时与新晃、开利、约克等著名生产厂家的技术人员进行技术座谈..最后选用了新晃生产的产品,实际运行效果很好。
(2)FFU的参数和选择
一级洁净室的FFU采用U17超高效过滤器其效率为99.999995%(≥0.12μm)。
十级洁净室的FFU采用U16超高效过滤器其效率为99.999995%(≥0.12μm)。FFU是保证房间洁净度的最后关口因此非常重要。
a.FFU单体噪声要求,噪声≤50dB(A);
b.FFU的机外余压>120Pa;
c.FFU的出口断面 风速的均匀度为±20%(15%);
d.FFU的电机寿命>50000小时;
我们建议采用美国飞达仕生产或瑞典康斐尔生产的FFU。但是甲方坚持购买XXX生产的产品结果在施工和调试中因FFU 的泄漏更换多达3-4%不仅影响施工和调试的进度而且最终调试噪声高达 70dB(A)超标。但因为是业主定的产品故甲方没有提出疑意。
(3)干盘管的运用和控制
干盘管采用两排,翅片间距≥3mm。面风速为2m/s时阻力大约为30Pa,
通入干盘管的中温水参数为14℃~19℃,通过干盘管的面风速≤2m/s,此时干盘管的面积很大。有时下夹层布置不下还要斜放。中温水用冷冻水混合制取。
干盘管的下面作了凝结水的滴水盘和冷凝水的排水系统
有的车间只能单侧布置干盘管,.或因设备基础(实体)占房间面积很大,会造成单向流气流出现一定的偏斜.因此这样高级别和高温湿度精度的洁净厂房的回风和和干盘管布置尽量均匀,设备基础面积最好不要超过房间面积的1/2。
干盘管是保证工艺车间的温度精度的关键设备,控制采用各干盘管由分区的温度敏感元件单独控制。但在室内发热量很少的时候,中温水阀门开启得很小控制水量较困难,为达到控制目的,还特意将新风送风温度提高.加大中温水的水量来保证房间温度精度。
(4)自动控制元件选用国际上控制精度最精,价格最贵的瑞典为沙拉公司的产品与专业的自控公司共同施工调试
(5)金属壁板和活动地板
经过调查和比较设计时选择了台湾惠亚公司提供的金属样板和活动地板。
外墙内衬的彩钢板和疏散走廊的隔墙采用耐火一小时的玻镁彩钢板。而内间隔墙采用铝蜂窝彩钢板(防火一小时),有时因外因碰撞洼痕影响美观但重量很轻。
因风量很大活动地板的开孔率为50-60%,且设备基础大。回风面积受到一定影响。
另外还有活动地板的平整度的问题,由于土建施工先天不够,地梁本身平整度很差,为了找平还要土建梁上作一层工字钢的钢梁,而且为了平整在工字钢和土建梁之间要垫高低不同的垫片,再用激光仪器操平。增加施工难度和进度。
地板的承重问题,根据甲方提供地板承重要求≤800 kg/m²,但施工后设备放上去(有的设备是用几条腿支撑)出现地板局部凹陷问题,最后采用不锈钢条形板将设备的支腿垫起来才消除了局部凹陷。
另外,还有一个底面积只有6m2,其重量却有13吨的设备还未到货,重量折合2200kg/m2。在设备的运输通道上要垫设多厚,多大面积的不锈钢板才能将设备运进来,又不破坏地板。又是一个大问题。
调试中遇到的问题:
1、电热式蒸汽加湿器的显热对室内温度的影响问题,一般设计时设计人员都将蒸汽加湿作为等温加湿处理,即不考虑蒸发温度既显热的影响,但是在高温度精度的洁净厂房设计时还是要考虑蒸汽部分显热的影响。否则在冬季蒸汽加湿投入时室内的温度曲线就会突然波动,后加湿停止也会产生波动,使室内温度波动较大,影响温度的精度。
2、室内出现大粒子问题
由于净化施工的周围环境十分恶劣。
a.施工前在地下室空间建立了一个100级的设备材料库房,其面积大约100m²把洁净室用的设备,配件和材料等存在100级的净化环境中保证进入洁净室的设备和材料的洁净度。
b.工人员要严格规范施工。质检人员和监理要经常监督检查。
c.试时维持室内较大正压,调试人员要按规定更两次衣,两次吹淋方能进入。
d.由于进度要求没有空态测试验收的时间(合同是空态验收),工艺设备就要进入洁净室进行二次配管配线和调试(进口设备),工艺设备的调试和二次配管配线又一次影响了洁净室内的洁净度,尤其是甲方坚持要提前安装并满布FFU;当时施工单位和我们主张,等最后清扫空吹后再装FFU。因为新风送进时已经达到100级的洁净度,能满足工艺设备调试的环境要求。但最终还是将FFU过早的装上了。这样就出现洁净厂房动态调试时0.1μm粒子合格.0.5μm粒子为0个/ft³,而1μm和5μm的大粒子随机地不断出现。为此调试时间延长了一个多月来找大粒子产生的原因。
因过早地安装FFU,为了省电,工艺设备调试时FFU部分开启,因上技术夹层为负压,就造成室内的空气通过不开启的FFU倒流到上夹层,部分灰尘 就沉积在超高过滤器的表面;调试时这样大 粒子会随机落下。
洁净厂房内的通讯喇叭的纸盆不是洁净厂房专用,一振动也产生大量大粒子。
工艺设备的配套件不是洁净厂房专用的设备。有些还带风机也会产生大量的大粒子。找到原因后采取必要的措施最后测试合格达标。
结果:最后我们和甲方联合请具有NEBB资格的新加坡(港思)快思特公司第三方进行测试结果…。
一级洁净室(0.5 μm)动态测试达到1级洁净室(0.3 μm)。
十级洁净室(0.5 μm)动态测试达到1级洁净室(0.5 μm)。
温度达到23℃±0.1℃。
相对温度达到50±3%。

北京航天光学遥感特殊交大实验室矢流洁净室设计案例
实验室的工艺要求和设计难点
一、工程概况:光学遥感实验室总面积约32000m²,净化级别有10000级和100000级有可变温度和相对温度的要求,有气流速度的要求,还有防微振的要求,更重要的还有个实验室之间使用灵活性的要求。
二、实验室属高大房间有吊车。吊车钩的高度有10 m、8 m和5 m,既房间高度有14 m、12 m和8 m吊车分别为4T、2T。实验时的室内温度要求是可变的(18-25±1℃),有时为8℃、有时为15℃、有时为25℃,相对湿度要求在35-55%范围内。第三工作面的风速不能超过 0.1 m/s洁净度有10000级和100000级的要求。属高大房间的恒温恒湿净化和防微振的实验室。
三、设计中的难点和解决的办法
1、有吊车的高大房间净化空调气流流型是一大难题
房间高14 m宽24 m有吊车,如果采用顶送风、下回风的气流流型,气流难以达到工作区。工作区的温湿度和洁净度难以保证。而且体积大、送风量大、浪费能源。
经过慎重研究和有关专家的讨论,又经全院专家评审,该实验室的净化空调气流流型采用矢流。矢流气流有流线之间不交叉的特点,用较少的送风量可达到较高洁净度的效果,而且工作区都在射流范围内,其区域温湿度和洁净度容易保证。
但是针对单侧回风的距离长达12 m,如何保证送风气流能覆盖工作区。矢流送风口的出口风速为多少?射流长度为多少?孔板开孔率和孔径大小为多少?要经过理论上的进一步计算。
2、实验室的实验温度要求是可变的。即8-25℃之间可选任何温度为基准温度,而相对湿度应在35-55%范围内,如何设计这样的空气处理系统是第二大难题。
研究所动力站固定供应7-12℃的冷冻水为冷源,50-60℃热水为热源。
在夏季当室内相对湿度控制在50±5%的时候,试验温度要求8℃时,室内空气*点露**约为-4℃,试验温度为15℃时,室内空气*点露**温度为5℃;试验温度为25℃时室内空气*点露**温度为14℃。
为了满足不同实验的温湿度的要求,又能节省能源。一个空调系统的冷却和去湿要采用三种不同的方法。当实验温度在20-25℃时,可利用集中冷冻站提供的7-12℃冷冻水降温去湿。当实验温度在13-20℃时,可用直接蒸发冷冻机直接供冷的方法降温去湿(蒸发温度约为35℃)。当实验温度在5-12℃时,就要采用转轮化学去湿,加7-12℃冷冻水的联合处理方法,才能达到降温去湿的目的。
3、实验室共有80-90间,而且为了节能,甲方希望实验室工作时净化空调系统开启,不工作时最好停机。另外每个实验室在实验时对洁净度、温湿度的要求不尽相同,希望每个实验室的空调系统能单独控制,这样一来就需要有近百台新风机组加循环机组,而且要分别自动控制。不仅投资太大,浪费能源,空调机房面积也难以解决。
为此设计人员与甲方实验室技术人员进行详细研究和讨论,即能满足实验室灵活使用的特点,又不至于空调设备的数量太多,节省投资。最后双方研究确定将使用规律相近,温湿度洁净度要求相同,又是相邻的三至四间实验室合为一个净化空调系统,即使这样新风机组加循环机组空调机的数量还多达40多台。
4、实验室试验设备的防微振
实验室内实验设备有极高的防微振要求极高:一级防微振在2~100Hz范围内,振动速度小于0.01mm/s;二级防微振在2~100Hz范围内,振动速度小于0.03mm/s;三级防微振在2~100Hz范围内,振动速度小于0.05mm/s。
防微振设计实施和测试是我院的强项,又一批的工程技术人员和有丰富的实践经验、这是其他单位所不及的。
5、空调机房的位置和对实验设备的防振影响
原某单位作的可行性报告中,未考虑空调设备的机房位置,而且建筑面积也不能超出原有建筑面积。设计中有40多台空调器,大约要2000m²的机房面积。与甲方协商,机房位置有两条出路。

第一,机房设在实验室吊顶以上的空间,空调器吊装在物面结构上。但此方案存在有维护管理不方便,凝结水排放,以及振动和噪声对实验室的影响等问题,其中振动影响更为突出。第二,压缩实验室的面积将空调机房设在实验室的两侧,这也存着压缩面积的可能性,但是维护管理方便,凝结水排放容易解决,噪声影响也容易处理,但振动影响还是存在。
最后经过与甲方共同商议,又经防微振专家对两处振动的影响进行计算和评估采取。最终将空调机房设在实验室两侧的二层房间内。
本文来源于互联网,作者不详。暖通南社整理编辑。