折叠屏的难点!华为是怎么解决折痕的?

回顾过去10年间智能手机诞生时起,手机屏幕从3.X英寸逐步增加到6.X英寸,但是当屏幕尺寸超过6英寸时,一般的女性用户就很难进行单手操作了,当屏幕尺寸超过7英寸时,就连男性用户也无法一手把控,所以折叠屏手机作为一种解决方案深受各大手机厂家所追捧。

2019年华为在巴塞罗那发布了折叠屏手机HUAWEI Mate X,折叠时6.6英寸,展开后8英寸。同现在市面上常见的折叠屏手机一样,折叠屏幕材料没有玻璃那么硬,表面就需要有增强硬度防划伤磨损的涂层,但是随着使用时间增加折叠的痕迹越来越明显。

现阶段折叠屏手机有外翻和内翻的结构差异,已经衍生出不同的设计选择。比如三星 Galaxy Fold 就采用了内外两块屏幕,确实能让内层屏幕获得更好的保护;而华为 Mate X 的外翻设计虽然能兼顾厚度、尺寸,但屏幕常年暴露在外,也很难避免刮痕。

但是目前手机上的折痕可能仍是折叠屏手机一个明显的痛。华为Mate X2发布前又曝出了最新折叠屏专利,而从专利介绍来看,该专利布局前沿技术,很可能将会消灭折叠屏的折痕。因此成功打造一台可量产的、实用的、领先同行业其它品牌的折叠屏产品。

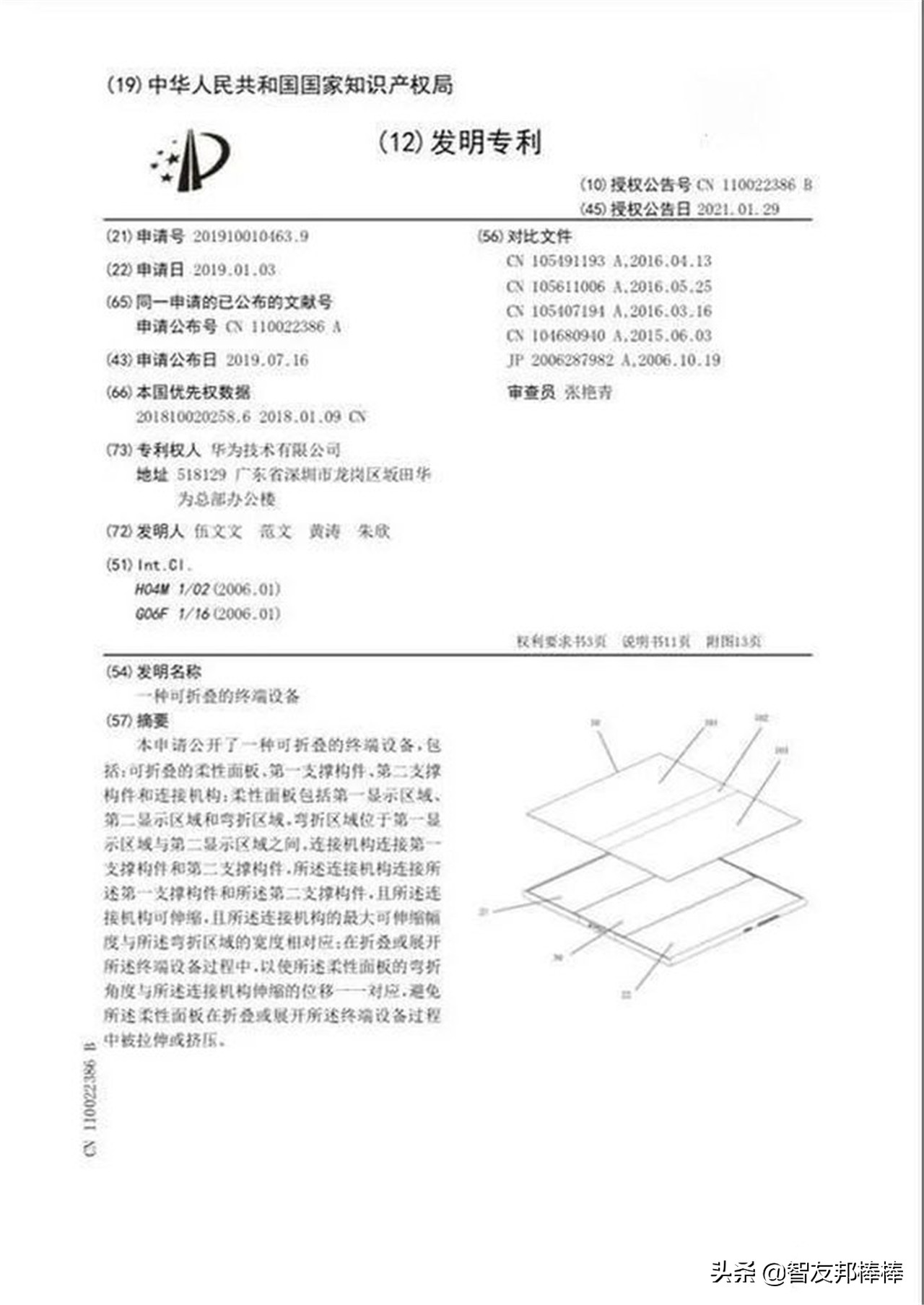
根据专利介绍显示,这是一种可折叠的柔性面板、第一支撑构件、第二支撑构件和连接机构的设计方案,通过优化各组件的连接方式避免屏幕面板在折叠过程中受到拉伸或挤压,能有效较低折叠屏的折痕问题。

华为Mate X2所搭载的双旋水滴铰链,能有效解决折叠处有较大缝隙的问题,折叠后屏幕缝隙控制接近无缝视觉效果,这是Mate X2在折叠屏方面的第一个创新、且也是最有用处的创新。铰链本身采用的是碳纤维复合材料,强度和硬度都要更高,同时还很轻盈许多。

在之前的折叠屏机型,无论是外折、还是内折,左右不平衡的问题都会存在(当然上下折叠屏不会有这个问题),华为Mate X2采用重心偏移设计,无论是左手握持、还是右手握持,都不再有左右不平衡的问题, 磁控纳米光学膜超低屏幕反光率更有助于保护眼睛。

外部的副屏尺寸为6.45英寸,分辨率为2700×1160,整机尺寸为161.8×145.8×8.2mm。配置方面,华为Mate X2核心将搭载华为最新的麒麟9000处理器,且由于折叠屏机型的机身更大,内部空间更足,其散热效果也更加出色,最终表现可能会超过骁龙888。

除了以上这些之外,华为Mate X2得益于徕卡四摄(5000W RYYB主摄+1600W超广角+1200W三倍光学长焦+800W潜望式长焦最大支持10倍光学变焦)+内外双90Hz屏幕的组合 ,无疑是目前性能最强、拍照最强、完成度最高的折叠屏机型。

小编认为折叠屏肯定不会和升降摄像头一样成为昙花一现的设计,作为承载信息的载体,如果可以像文件、报纸那样卷起来带走,只要能解决材料和结构限制,未来的显示屏就不止会出现在电子产品上,而是会进一步扩展到各种物体的表面,适用于更多的设备和场景之中。
