指纹电路关联的各个模块:
1:指纹模块(也就是HOME键排线):上面有指纹识别块(HOME键蓝宝石玻璃)、排线、指纹处理芯片。

2:指纹连接排线:连接指纹模块到主板的接口

3:指纹接口

4:指纹验证码片:就是个24的存储器,存储着所保存的指纹信息。自己动手更换硬盘的小伙伴,小心别碰到,坏了就蓝屏了

iPhone6的手机指纹电路有问题,刷机就会报错误53。报错是在验证固件以后。
1:修错误53之前最好问下之前有无换过屏的,有换屏的话要知道是不是换屏后指纹就不能用.有些人换屏会把指纹模块的线(也就是HOME键排线)拆断,然后换了别的HOME键。这种是无法维修的,出现这种问题这台手机就报废了。
2:进水手机指纹排线排线腐蚀、摔过的指纹排线连接不牢固。
3:主板指纹电路问题:除开外设(指纹HOME键、连接排线)
主板上跟指纹相关的有:
1:指纹连接座

2:PMU电源管理芯片:U1202。提供指纹模块(也就是HOME键排线上的指纹识别芯片,下同)3V供电。

3:线性稳压芯片U2100:(相当于电脑中的三端稳压器。但苹果手机中的是四个脚的,多了一个开启脚)提供给指纹模块1.8V电压。此1.8V是PP3V0_MESA降 压来的,损坏可借电压,修复


4 16.5v电压,介绍


指纹三路供电都可以借电压修复。

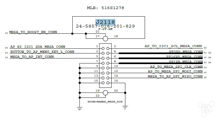
接口引脚定义




更多服务请关注我们官方微信
微信号:chaxunzs

