概述:工艺流程图是化工生产的技术核心,能看懂工艺流程图是作为一名化工生产技术工作人员基本的素养。工艺流程图涵盖了物料平衡、设备、仪表、阀门、管路等信息,是用来表达化工生产工艺流程的设计文件,一般包括有方案流程图、物料流程图、管道仪表流程图。下面为大家一一解说。
【方案流程图】
在工艺路线选定后,进行概念性设计时完成,不编入设计文件
图1

某物料残液蒸馏处理的工艺方案流程图
表达物料从原料到成品或半成品的工艺过程,及所使用的设备和机器。用于设计开始时的工艺方案的讨论,也可作为施工流程图的设计基础。
图纸内容:
①设备——用示意图表示生产过程中所使用的机器、设备;用文字、字母、数字注写设备的名称和位号。
②工艺流程——用工艺流程线及文字表达物料由原料到成品或半成品的工艺流程。
【物料流程图(PFD)】
物料流程图是在方案流程图的基础上,完成物料衡算时绘制。用图形与表格相结合的情势,反映设计中物料衡算和热量衡算结果的图样。
【物料流程图 】

在方案流程图上增加以下内容:
1.在设备位号及名称的下方加注设备特性数据或参数。如:换热设备的换热面积; 塔设备的直径、高度; 贮罐的容积; 器的型号等。
2.在流程的起始处以及使物料产生变化的设备后,列表注明物料变化前后其组分的名称、流量(kg/h)、摩尔分数(%) 等参数及各项的总和,实际书写项目依具体情况而定。
3.格线和指引线都用细实线绘制。
【管道仪表流程图(P&ID)
管道仪表流程图(Piping and Instrumentation Diagram,P&ID)按管道中的物料的类别划分,通常分为两类:

1.工艺管道仪表流程图(PID)
2.辅助物料、公用物料管道仪表流程图(UID)
管道仪表流程图(P&ID)是借助统一规定的图形符号和文字代号,用图示的方法把建设化工工艺装置所需的全部设备、仪表、管道、阀门及主要管件,按其各自的功能,为满足工艺要求和安全要求而组合起来的技术文件,以起到描述工艺装置的结构和功能的作用。
PID图是工艺操作人员和仪表工认识生产、了解控制方案等的依据
新手学习工艺流程图进阶
(初级进阶-读懂工艺流程图)
1.要搞清楚什么是PID管道及仪表流程图,它与PFD最主要的区别就是加了’仪表’在里面。另外,除了仪表控制以外,它多了一些不经常用的管线,,这些管线大多是在开停车或者间歇操作时用到的。所以,要快速学习PID,最主要的就是抓住不经常用的管线和仪表控制,这就是关键所在。而开始学习PID前,你必须了解PID上每一个字母,符号所表示的意义,而这些是最容易被忽视的东西。实际上要了解不经常用管线作用和仪表控制,在搞清楚那些符号字母的意义以后,就很容易读懂了,而这个必须是建立在对仪表知识有一定的了解程度上。
2.先将PID记下来,在对准现场学习,加上跟师傅干活,进步速度很快。
3.从大到小,从面到点。先记住总流程,再熟悉局部流程。
4.应该先学原则流程,一般的化工装置都分为几个部分:原料—(预处理)—反应—后处理(分馏或稳定)—产品然后再加上辅助的公用工程。原则流程不用到现场,在室内就可以学。等原则流程学明白了再学PID图。PID要先抓设备首先到现场,把设备位置先记住了,然后再查设备上的管线是从哪来的到哪去的,每一根标注清楚到现场时最好带个记号笔,初学者在管线上做个标记(有的装置已经喷漆了),然后再一个设备一个设备的连起来整个装置就连起来了。另外PID图比原则流程图重要的一点就是多了控制点(仪表和阀门),针对操作人员来说,所谓操作就是操作这些阀门,所以每个阀门针对温度、压力、流量是怎么控制的,比如开大会怎么样,关小会怎么样,要对应分析思考。 而装置的开停工或者紧急事故,需要切换流程的几个重要阀门也要熟记,这是一个装置的关键。
5.如果说只是简单的把流程搞通,很容易,关键是要把图上的每一个测量点以及阀门和现场对应起来,做到随心所欲地改流程。
(高级进阶-绘制工艺流程图)
PID一般由首页图及PID图两部分组成。
首页图
首页图规定了PID图中所使用的图例、符号、及缩写词等内容。
工艺首页图

仪表首页图

PID图主要包含的内容
1.表示出所有工艺、公用工程、辅助物料管道(包括开、停车管道、吹扫、置换、再生、溶液制备管道,以及间断使用的管道)并标注管道顺序、物料代号、管道直径、管道等级(在同一管道中有不同等级的应表示出分界符号)、管道材料代号和隔热、隔声代号、并标明物料流量。
2.表示出全部设备、机械、驱动机及备机(包括制造商提供的),并进行标注。
3.所有检测与控制仪表、以及功能标识,并进行编号。
4.画出工艺生产所需要的全部阀门,不同阀门类别以不同图形表示,特殊管件、限流孔板、安全阀、*破爆**片、疏水器、阻火器等都进行标注。
5.设备的关键标高(最小尺寸)和关键的设计,对设备、管道、仪表有特定布置要求和其它关键设计要求说明(如对配管对称要求、真空管路等)。
6.成套(配套)设备供货范围和设计单位分工范围。
7.首页上文字代号、编写字母、各类图形符号,以及仪表图形、代号、线型符号的表示含义。
PID图纸规格
关于图纸以及比例

通常采用A1号图纸规格(594 mm×841 mm),并用多张1号图离开表现每张图纸的有关部门均应相互衔接,完善地表现出整个生产历程少数物流和控制关系来往亲昵且内容较多,表现在一张1号图中太挤的环境下,可按图纸延伸的尺度加长1/4或1/2。
PID的一般图面安排

责任范围区分的表示

用来区分责任范围的字母有:
B.B 由买方负责
B.S 由卖方负责
B.INST 由仪表专业负责
B.PIPE 由管道专业负责
B.V 由制造厂负责
PID图面说明
1.设备位号及设备管口的表示

2.设备绝热层的表示

3.地下或半地下设备应表示地面线和设备本体地下深度的表示

4.设备间位差和人孔、卸料口的表示

5.设备安装尺寸及标高的表示

6.管件、阀门、仪表的安装要求及尺寸的几种表示方法

7.安全阀标注和配管要求表示方法

8.反馈控制系统

出口温度由温度感应器TE测得,信号通过变送器TT送到温度调节器TC,TC通过将测得温度与设定温度比较,操纵控制元件调节阀TV进行调节。
9.前馈控制系统

测得进入换热器的物料的流量的变化,用这个信号来调整蒸汽流量,则出口的温度可以控制稳定。多用于测定对象的工艺过程的变化和测得的数据之间的时间滞后特别大的场合
10.串级控制系统

在串级控制系统中由主副两个调节器。主调节器的输出做为副调节器的给定,适用于时间常数滞后较大的对象,如换热器、加热炉的温度控制。上图中,在测温元件TE影响之前因蒸汽压力变动造成的蒸汽流量变化已经先被副调节器进行了修正。
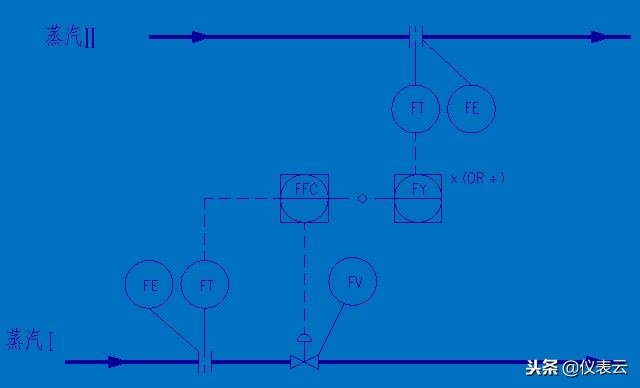
11.比值控制系统

说明:蒸汽“1”和蒸汽“2”两个物料的流量分别检测不控制的这股主动流,管线“1”的流量按比值做为控制流,管线“2”的设定值控制这股控制流的流量。
12.自控选择控制系统

说明:流体由流量控制进入容器,当容器压力超过一定范围后,压力控制替代流量控制,以防止容器内压力过高。
13.分程控制系统

低流量时,调节阀A开而调节阀B关闭;当流量增大调节阀A无法处理时,信号便转移到打开阀B,由调节阀B控制流量。容器内压力低时,调节阀A开使气体进入;当容器内压力高于设定值时,打开阀B,气体外排,维持容器内压力稳定。
知识拓展-绘制PID图需掌握的知识点
①PID图中设备的画法与标注
用规定的类别图形符号和文字代号表示装置工艺过程的全部设备、机械和驱动机。
根据流程自左至右用细实线表示出设备的简略外形和内部特征(例如塔的填充物和塔板、容器的搅拌器和加热管等),设备的外形应按一定的比例绘制。
针对表中未列出的设备和机器图例,可按实际外形简化绘制,但在同一流程图中,同类设备的外形应一致。
工艺流程图上的设备、机器图例
②PID图中管道流程线的表示方法
用规定的图形符号和文字代号,详细表示所需的全部管道、阀门、主要管件(包括临时管道、阀门和管件)、公用工程站和隔热等。
流程图中的管道流程线均用粗实线表示。
针对辅助管道、公用系统管道只绘出与设备(或主流程管道)连接的一小段;针对带仪表控制点的管道流程图,应画出所有管道,即各种物料的流程线,并在管道线上标注物料代号及辅助管道或公用系统管道所在流程图的图号;针对各流程图间相衔接的管道,应在始(或末)端注明其连续图的图号及所来(或去)的设备位号或管道号。
管道流程上除应绘制流向箭头及用文字标明来源或去向外,还应对每条管道进行标注。施工流程图上的管道应标注三个部分,即管道号、管径和管道等级(见有关标准)。
管道及仪表流程图上的物料代号
③PID图中阀门等管件的表示方法
管道上的阀门及其他管件应用细实线按标准所规定的符号在相应处画出,并标注其规格代号。
管道系统常用阀门的图例符号(摘自GB 6567.4-86)
管道及仪表流程图上的管子、管件、阀门及管道附件的图例
④PID图中仪表控制的画法
在工艺管道及仪表流程图中,仪表控制点以细实线在相应的管道上用符号画出。
符号包括图形符号和字母代号,它们组合起来表示工业仪表所处理的被测变量和功能,或表示仪表、设备、元件、管线的名称。
图形符号
仪表(包括检测、显示、控制等仪表)的图形符号是一个细实线圆圈,直径约10mm。需要时允许圆圈断开。必要时,检测仪表或元件也可以用象形或图形符号表示。
仪表安装位置的图形符号(摘自HGJ 7-87)
字母代号
表示被测变量和仪表功能的字母代号。
被测变量及仪表功能的字母组合示例
流量检测仪表和检出元件的图形符号(摘自HGJ 7-87)
仪表位号
在检测控制系统中,构成一个回路的每个仪表(或元件)都应有自己的仪表位号。仪表位号由字母与阿位伯数字组成。第一位字母表示被测变量,后继字母表示表的功能。一般用三位或四位数字表示装置号和仪表序号。
文章来源:网友投稿
编辑校正:仪表云
如有转载,请注明出处。