检波电路输出音频信号,若将音频信号直接送到扬声器,扬声器会发声,但发出的声音很小,所以要用放大电路对检波电路输出的音频信号进行放大,这样才能推动扬声器发出足够大的声音。
由于音频信号频率低,故音频信号放大电路又称为低频放大电路,简称为低放电路,它处于音量电位器与扬声器之间。低放电路通常包括两部分:前置放大电路和功放电路。
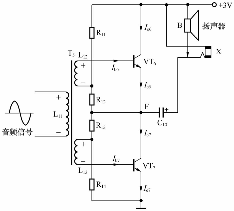
前置放大电路的作用是放大幅度较小的音频信号。(看图,我会详细解释)

① 信号处理过程。从检波电路送来的音频信号经音量电位器 RP 调节并经电容 C8隔直后,剩下交流音频信号送到前置放大管VT5的基极,音频信号经VT5放大后从集电极输出,送至音频变压器T5的一次绕组L11,然后感应到二次绕组L12、L13上,再去功放电路。
② 元器件说明。RP为音量电位器,能调节送往VT5基极的音频信号的大小,当RP滑动端向上滑动时,送往VT5的音频信号幅度变大,音量会增大;C8为耦合电容,除了能让交流音频信号通过外,还能将不需要的直流隔开;VT5为前置放大管,能放大音频信号;C9为高频旁路电容,主要是旁路音频信号中残留的中频成分和音频信号中的高频噪声信号;T5为音频变压器,用于将前置放大电路的音频信号送到功放电路,它的二次侧有两组绕组。
③ 直流工作条件。VT5的电流Ib、Ic、Ie途径如下:

功放电路的原理
功放电路的作用是放大幅度较大的音频信号,使音频信号有足够的幅度推动扬声器发声。由于送到功放电路的音频信号幅度很大,用一只三极管放大会难于承受,并且会产生很严重的失真,所以在功放电路中常用两只三极管来放大音频信号,两只三极管轮流工作,能减轻三极管的负担,同时也减小失真,功放电路两只三极管交替放大的方式又称为推挽放大。
(看图,Zorro依然会详细解释)

① 直流工作条件。图1所示电路中的R11=R13、R12=R14,并且VT6、VT7同型号,电路具有对称性,所以它们的中心F点电压约为电源电压的一半,即UF=12×3V=1.5V。在静态时,VT6、VT7都处于微导通态势,VT6、VT7导通的电流Ib、Ic、Ie途径如下:

从流程图可以看出,VT6流出电流等于VT7流入的电流,即VT7的电流Ie7与VT6的电流Ie6相等。
② 信号的处理过程。前置放大管输出的音频信号送到变压器的一次绕组 L11,再感应到二次绕组L12、L13。
当 L11上的音频信号为正半周时,L12、L13上感应的音频信号电压都为上正下负,L13的下负电压加到功放管VT7的基极,VT7基极电压降落,VT7截止,不能放大信号,而L12的上正电压加到功放管VT6的基极,VT6基极电压上升,VT6进入正常导通放大态势,电容C10开始放电(在无信号时+3V电源通过扬声器对C10已充得左负右正约1.5V电压),放电电流途径是:C10右正→扬声器→VT6的集电极→VT6的发射极→C10左负,该电流流过扬声器,它就是VT6放大输出的正半周音频信号。
当L11上的音频信号为负半周时,L12、L13上感应的音频信号电压都为上负下正,L12的上负电压加到功放管VT6的基极,基极电压降落,VT6进入截止态势,不能放大信号,而L13的下正电压加到功放管VT7的基极,基极电压上升,VT7进入正常导通放大态势,+3V电源开始对C10充电,充电电流途径是:+3V→扬声器→C10→VT7集电极→VT7发射极→地,该电流流过扬声器,它就是VT7放大输出的负半周音频信号。
从上述工作过程可以看出:功放管VT6放大音频信号的正半周,VT7放大音频信号的负半周,扬声器中有完整的正、负半周音频信号通过。这里的功放电路与扬声器之间未采用输出变压器,并且两功放管交替导通放大,这种功放电路称为OTL放大电路,即无输出变压器的推挽放大电路。
③ 元器件说明。T5为音频输入变压器,主要起耦合音频信号的作用;VT6、VT7为
功放管,在无信号输入时,它们处于微导通态势,即电流Ib、Ic都很小,当音频信号输入时,它们轮流工作,VT6放大音频信号正半周,VT7则放大音频信号负半周,一只三极管处于放大态势时另一只三极管处于截止态势;R11、R12、R13和R14为VT6、VT7的偏置电阻,为两三极管提供静态工作点;C10为耦合电容,同时兼起隔直作用;B为扬声器,能将音频信号还原成声音;X为耳机插孔,未插入耳机插头时,插孔内部顶针与扬声器接通,当插入耳机插头时,顶针断开,将扬声器切断,音频信号会通过插头触点流进耳机。