
1.电工电路中的基本文字符号
基本文字符号主要有组件部件、变换器、电容器、半导体器件等。

2.电工电路中的辅助文字符号
电气设备、装置和元器件的种类和名称可用基本文字符号表现,而它们的功能、态势和特征则用辅助文字符号表示。

3.电工电路中的专用文字符号
有些时候为了清楚地表示接线端子和特定导线的类型、颜色或用途,通常用专用文字符号来表示。

一些文字符号直接用于标识仪表的类型及名称,有些文字符号则表示仪表上的相关量程、用途等。

4.电工电路中常用电子元器件的电路图形符号

5.电工电路中常用低压电器部件的电路图形符号

6.高压电器部件和发电站、变电所的电路图形符号

7.其他常用电路图形符号

电工电路识图步骤
1.区分电路类型
根据所表达内容、包含信息及组成元素的不同,一般可分为电工接线图和电工原理图。

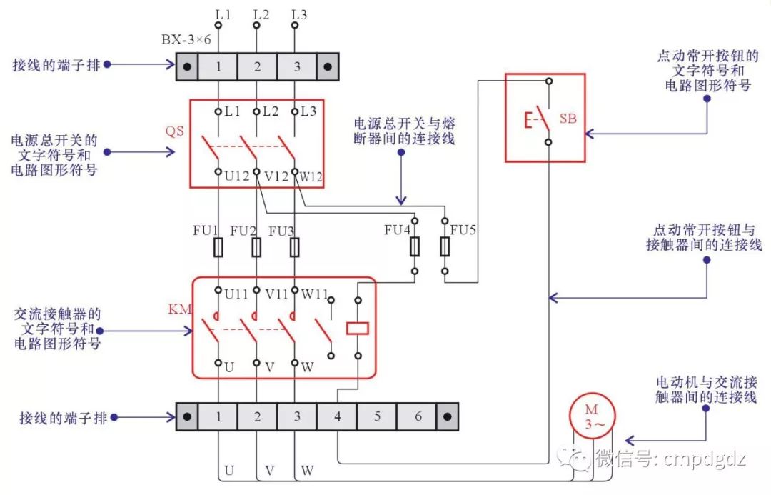
用文字符号和电路图形符号标识出所使用的基本物理部件,用连接线和连接端子标识出了物理部件之间的实际连接关系和接线位置。这属于接线图。

除标准的符号标识和连接线外,没有画出其他不必要的部件,这属于电工原理图。
2.明确用途
从整体上把握电路的用途,明确电路最终实现的结果,以此作为指导识图的总体思路。
3.建立对应关系、划分电路

将电路中的文字符号和电路图形符号标识与实际物理部件建立一一对应关系,进一步明确电路所表达的含义,对识读电路关系十分重要。

在建立对应关系并了解各符号所代表物理部件的含义后,还可以根据物理部件的自身特点和功能对电路进行模块划分。
4.寻找工作条件
当建立好电路中各种符号与实物的对应关系后,可通过所了解部件的功能寻找电路中的工作条件。当工作条件具备时,电路中的物理部件才可进入工作态势。
5.寻找控制部件, 确定控制关系

电工电路就是通过控制部件对电路进行控制的,是电路中的关键部件。找到控制部件后,根据线路连接情况,确立控制部件与被控制部件之间的控制关系。
6.理清信号流程,最终掌握控制机理和电路功能

确立控制关系后,可操作控制部件实现控制功能,弄清被控制部件所执行的动作或结果,理清整个电路的信号流程,最终掌握控制机理和电路功能。
本文节选自《零基础学电工》,本书在天猫平台有售。

来源:机械工业出版社E视界
往期文章
80例传感器工作原理动图,网上很难找得到!
西门子PLC入门级应用实例|自动搬运机械手控制系统设计
PLC编程实例分享,多图详解五层楼电梯控制系统~
想学PLC却无从下手?先看懂这些编程指令吧!
电工技术进阶篇|8大电动机常用控制电路特点与应用,全彩图版~