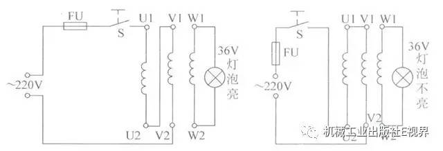
利用交流电源和灯泡判别电动机三相绕组头尾
当分不清三相电动机各绕组的头尾时,可用下述简单方法来确定:首先用36V低压灯做试灯,分出电动机每一相绕组的两个线端,然后将两相绕组串联后通入220V电源,剩下的一相绕组两端接36V的灯泡,如果灯泡发亮,说明串联的两相是头尾相接;灯泡不亮,说明是头头相接,如下图所示,然后将测出的两相绕组头尾做一标记,再按此方法将其中一相与原来接灯泡的一相绕组串联,另一相连接灯泡,再按上述方法即可分出三相电动机绕组的头尾。

用万用表判断电动机三相绕组的头尾
利用万用表也可方便地判断出电动机三相绕组的头尾。首先用万用表欧姆挡测量出电动机6个接线端中哪两个接线端为同一相。然后,将万用表的直流毫安挡放到最小一挡,并将表笔接到三相绕组中某一相的两端,再将干电池正负极接到另一相的两个线端上,如下图所示,当开关S闭合瞬间,如果指针指示电流为正值,则把电池负极所接的线端与万用表正极表笔所接的线端定为同极性的(均可认定为头)。以此类推,便可方便地找出另外两相的头和尾。

本文选自《电工常用技能一点通》

更多精彩内容请关注微信号:机械工业出版社E视界